Texas Instruments DRV8312 Bürstenloser Dreiphasen-DC-Motortreiber

Die DRV8312 Bürstenlose Dreiphasen-Motortreiber von Texas Instruments sind integrierte Dreiphasen-Hochleistungs-DC-Motortreiber mit einem fortschrittlichen Schutzsystem. Aufgrund des niedrigen RDS(on) der Leistungs-MOSFETs und des intelligenten Gate-Drive-Designs haben diese Motortreiber einen Wirkungsgrad von bis zu 97 %, welche die Verwendung kleinerer Netzteile und Kühlkörper ermöglicht wird und sich dadurch für Applikationen mit hoher Energieeffizienz eignen. Die DRV8312/32 benötigen zwei Stromversorgungen, eine mit 12 V für GVDD und VDD und eine weitere mit 50 V für PVDD. Die DRV8312/32 können bei einer Schaltfrequenz von bis zu 500 kHz ohne Einbußen bei der Genauigkeit der Steuerung und des hohen Wirkungsgrads betrieben werden. Sie verfügen über ein innovatives Schutzsystem, welches das Bauteil vor zahlreichen Fehlerzuständen schützt, die das System beschädigen können.

Merkmale

  • Leistungsstufe mit hohem Wirkungsgrad (bis zu 97 %) mit MOSFETs mit niedrigem RDS(on) (80 m bei TJ = 25 °C)
  • Betriebsversorgungsspannung von bis zu 50 V (70 V absolutes Maximum)
  • DRV8312 (Power-Pad unten): bis zu 3,5 A kontinuierlicher Phasenstrom (6,5 A Spitze)
  • DRV8332 (Power-Pad oben): bis zu 8 A kontinuierlicher Phasenstrom (13 A Spitze)
  • Unabhängige Steuerung von drei Phasen
  • PWM-Betriebsfrequenz von bis zu 500 kHz
  • Integrierte Selbstschutzschaltkreise, einschließlich Unterspannung, Übertemperatur, Überlast und Kurzschluss
  • Programmierbarer Zyklus-für-Zyklus-Strombegrenzungsschutz
  • Unabhängige Versorgungs- und Erdungspins für jede Halbbrücke
  • Intelligenter Gate-Drive und Querleitungsschutz
  • Keine externe Snubber- oder Schottky-Diode erforderlich

Applikationen

  • BLDC-Motoren
  • Dreiphasen-Permanentmagnet-Synchronmotoren
  • Wechselrichter
  • Halbbrücken-Treiber
  • Robotik-Steuerungssysteme

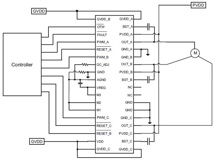
Vereinfachtes Applikationsdiagramm

Texas Instruments DRV8312 Bürstenloser Dreiphasen-DC-Motortreiber
Veröffentlichungsdatum: 2019-08-06 | Aktualisiert: 2023-10-17