Texas Instruments DRV8376-Q1 Integrierte 3-Phasen-FET-Motortreiber
Die integrierten 3-Phasen-FET-Motortreiber DRV8376-Q1 von Texas Instruments bieten einen Gate-Treiber und eine Leistungsstufe zum Antrieb bürstenloser DC-Motoren mit 4,5 V bis 65 V. Diese Motortreiber verfügen über drei Halbleiterbrücken mit einer absoluten Maximalspannung von 70 V und einem sehr niedrigen Einschaltwiderstand RDS(ON) von 400 mΩ (High-Side plus Low-Side). Die DRV8376-Q1 Motortreiber unterstützen eine PWM-Frequenz bis zu 100 kHz, eine Zyklus-für-Zyklus-Strombegrenzung zur Einschränkung des Phasenstroms, eine aktive Entmagnetisierung und 48-V-Systeme. Diese Bauteile enthalten 6 oder 3 PWM-Steuerungsoptionen, um mit einem externen Mikrocontroller eine FOC (Field-Oriented Control) mit oder ohne Sensor, eine Sinussteuerung oder eine Trapezsteuerung zu implementieren. Die DRV8376-Q1 Bauteile sind gemäß AEC-Q100 für Fahrzeuganwendungen zugelassen. Typische Applikationen umfassen bürstenlose DC-Motormodule (BLDC), HVAC-Motoren, Büroautomationsmaschinen, Fabrikautomatisierung, Robotik, drahtlose Antennenmotoren und Drohnen.Die DRV8376-Q1 Motortreiber enthalten einen eingebauten LDO-Regler mit 3,3 V (5 %), 30 mA und einen eingebauten LDO-Regler mit 5 V (5 %), 30 mA. Die Schutzfunktionen sind Unterspannungssperre (UVLO), Ladungspumpen- Unterspannung (CPUV), Überstromschutz (OCP), thermische Warnung und Abschaltung (OTW/OTSD) sowie einen Anzeige-Pin des Fehlerzustands (nFAULT).
Merkmale
- Dreiphasiger BLDC-Motortreiber:
- Unterstützt 48-V-Systeme
- Unterstützt eine PWM-Frequenz bis zu 100 kHz
- Aktive Entmagnetisierung zur Reduzierung von Leistungsverlusten
- Zyklus-für-Zyklus-Strombegrenzung, um den Phasenstrom zu begrenzen
- Betriebsspannung von 4,5 V bis 65 V (max. 70 V)
- Spitzen-Ausgangsstromfähigkeit: 4,5 A
- RDS(ON) (HS + LS) bei TA = 25 °C niedriger MOSFET-Einschaltwiderstand: 400 mΩ
- Einstellbare Optionen der Anstiegsrate reduzieren den Schaltverlust mit einer Anstiegsrate von 1,1 V/ns und einer Technik zur Sperrverzögerungminimierung
- Geringe Geräuschentwicklung und einfache Bedienung der Motorsteuerung dank extrem kurzer Totzeit von <200 ns und="" laufzeitverzögerungen="" von="">200 ns><>
- 1,5 µA typisch bei VVM = 24 V, TA = 25 °C Ruhemodus mit geringem Stromverbrauch
- Mehrere Optionen für Steuerschnittstelle:
- 6 PWM-Steuerschnittstellen
- 3 PWM-Steuerschnittstellen
- Benötigt keine externen Strommesswiderstände, eingebaute Stromsensoren
- Flexible Bauformoptionen für Bauelemente:
- DRV8376S 5 MHz 16-Bit SPI für Bauelementbauform und Fehlerstatus
- DRV8376H: Pin-basierte Hardware-Konfiguration
- Unterstützt Logikschaltungseingänge von 1,8 V, 3,3 V und 5 V
- Integrierter 30-mA-LDO-Regler von 3,3 V (5 %)
- Eingebauter 5 V (5 %), 30 mA LDO-Regler
- Integrierte Schutzfunktionen:
- Unterspannungsabschaltung (UVLO)
- Ladungspumpen-Unterspannung (CPUV)
- Überstromschutz (OCP)
- Thermische Warnung und Abschaltung (OTW/OTSD)
- Anzeige-Pin für Fehlerzustand (nFAULT)
- Optionale Fehlerdiagnose über SPI
Applikationen
- Bürstenlose DC-Motormodule (BLDC)
- HLK-Motoren
- Büroautomatisierungsmaschinen
- Fabrikautomatisierung und Robotik
- Drahtloser Antennenmotor
- Drohnen
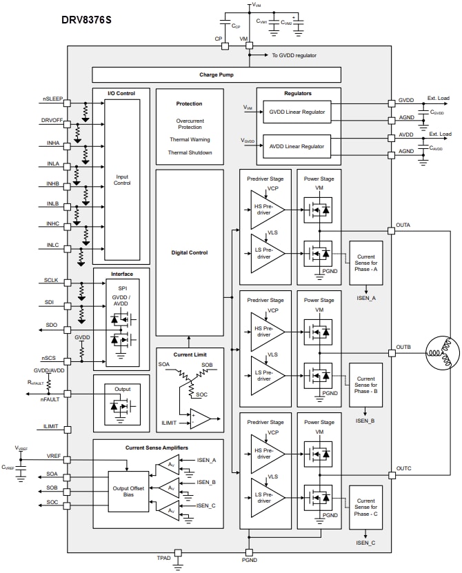
Schaltschema
Veröffentlichungsdatum: 2025-07-03
| Aktualisiert: 2025-07-28
