Texas Instruments DRV8770 100-V-Bürsten-DC-Gate-Treiber
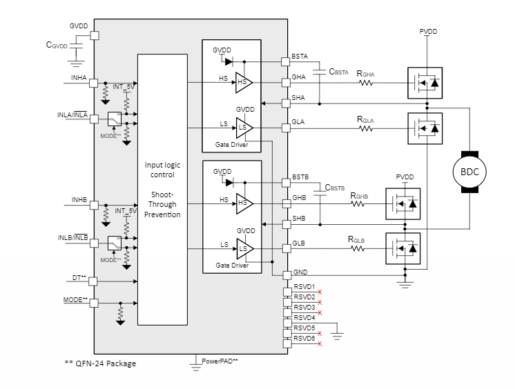
Der DRV8770 100-V-Bürsten-DC-Gate-Treiber von Texas Instruments bietet drei Halbbrücken-Gate-Treiber, die jeweils High- und Low-Side-n-Kanal-Leistungs-MOSFETs ansteuern können. Die integrierte Bootstrap-Diode und der externe Kondensator erzeugt die richtigen Gate-Drive-Spannungen für die High-Side-MOSFETs, während der GVDD die Gates auf den Low-Side-MOSFETs ansteuern. Die Gate-Drive-Architektur unterstützt Gate-Drive-Ströme von bis zu 750 mA Quelle und 1,5 A Senke. Die Hochspannungstoleranz der Gate-Drive-Pins verbessert die Systemrobustheit.Der DRV8770 100-V-Bürsten-DC-Gate-Treiber von TI bietet SHx-Phasenpins, um signifikante negative Spannungstransienten zu tolerieren. Gleichzeitig kann die High-Side-Gate-Treiber-Versorgung höhere positive Spannungstransienten (absolutes Maximum von 115 V) auf den BSTx- und GHx-Pins unterstützen. Der Wirkungsgrad wird durch die Verwendung der kleinen Laufzeitverzögerung und der Verzögerungsanpassungs-Spezifikationen weiter verbessert, um die Totzeit-Anforderungen zu reduzieren. Ein Unterspannungsschutz wird sowohl für die Low- als auch die High-Side durch die GVDD- und BST-Unterspannungssperre bereitgestellt.
Merkmale
- 100-V-H-Brücken-Gate-Treiber
- Steuert n-Kanal-MOSFETs (NMOS) an
- Gate-Treiber-Versorgung (GVDD) von 5 V bis 20 V
- MOSFET-Versorgung (SHx) unterstützt bis zu 100 V
- Integrierte Bootstrap-Dioden
- Unterstützt invertierende und nicht-invertierende INLx-Eingänge (QFN-Gehäuse)
- Bootstrap-Gate-Drive-Architektur
- Quellenstrom: 750 mA
- Senkenstrom: 1,5 A
- Unterstützt Applikationen, die mit bis zu 15-s-Batterien betrieben werden
- Niedriger Ableitstrom auf SHx-Pins (<55 µA)
- Absolute maximale BSTx-Spannung von bis zu 115 V
- Unterstützt negative Transienten bis hinunter zu -22 V auf SHx-Pins
- Einstellbare Totzeit über den DT-Pin im QFN-Gehäuse
- Feste Totzeiteinfügung von 200 ns im TSSOP-Gehäuse
- Unterstützt Logikeingänge von 3,3 V und 5 V mit absolutem Maximumg von 20 V
- Typische Laufzeitverzögerungsanpassung von 4 ns
- Kompakte QFN- und TSSOP-Gehäuse und Anschlussflächen
- Effizientes Systemdesign mit Leistungsblöcken
- Integrierte Schutzfunktionen
- BST-Unterspannungssperre (BSTUV)
- GVDD-Unterspannung (GVDDUV)
Applikationen
- E-Bikes, E-Scooter und E-Mobilität
- Kabellose Garten- und Elektrowerkzeuge, Rasenmäher
- Kabellose Staubsauger
- Drohnen, Robotik und RC-Spielzeug
- Industrie- und Logistik-Roboter
- Elektrowerkzeuge
Vereinfachter Schaltplan
Blockdiagramm
Veröffentlichungsdatum: 2022-03-14
| Aktualisiert: 2023-04-12
