Texas Instruments DRV8833C Dual-H-Brücken-DC-Motortreiber

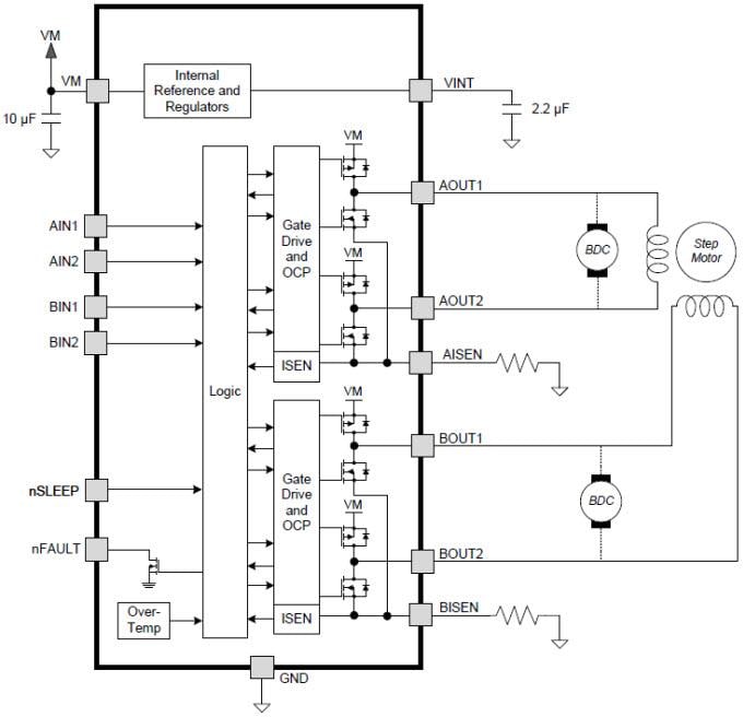
Texas Instruments DRV8833C Dual H-Bridge Motor Drivers provide a dual-bridge motor driver solution for toys, printers, and other mechatronic applications. The device has two H-bridges and can drive two DC brushed motors, a bipolar stepper motor, solenoids, or other inductive loads. Each H-bridge output consists of a pair of N-channel and P-channel MOSFETs, with circuitry that regulates the winding current. With proper PCB design, each H-bridge of the DRV8833C can drive up to 700mA RMS (or DC) continuously, at 25°C with a VM supply of 5V. The device can support peak currents of up to 1A per bridge. Current capability is reduced slightly at lower VM voltages. Internal shutdown functions with a fault output pin are provided for overcurrent protection, short-circuit protection, UVLO, and overtemperature. A low-power sleep mode is also provided.

Merkmale

  • Dual H-Bridge Motor Driver With Current Control
    • 1 or 2 DC Motors or 1 Stepper Motor
    • Low On-Resistance: HS + LS = 1735mΩ (Typical, 25°C)
  • Output Current Capability (at VM = 5V, 25°C)
    • PWP (HTSSOP) Package
      • 0.7A RMS, 1A Peak per H-Bridge
      • 1.4A RMS in Parallel Mode
    • RTE (QFN) Package
      • 0.6A RMS, 1A Peak per H-Bridge
      • 1.2A RMS in Parallel Mode
  • Wide Power Supply Voltage Range
    • 2.7 to 10.8V
  • Integrated Current Regulation
  • Easy Pulse-Width-Modulation (PWM) Interface
  • 1.6µA Low-Current Sleep Mode (at 5V)
  • Small Package and Footprint
    • 16 HTSSOP (PowerPAD™) 5.00 × 6.40mm
    • 16 QFN (PowerPAD) 3.00 × 3.00mm
  • Protection Features 
    • VM Undervoltage Lockout (UVLO)
    • Overcurrent Protection (OCP)
    • Thermal Shutdown (TSD)
    • Fault Indication Pin (nFAULT)

Applikationen

  • Point-of-Sale Printers
  • Video Security Cameras
  • Office Automation Machines
  • Gaming Machines
  • Robotics
  • Battery-Powered Toys

Functional Block Diagram

Texas Instruments DRV8833C Dual-H-Brücken-DC-Motortreiber
Veröffentlichungsdatum: 2014-12-04 | Aktualisiert: 2023-03-14