Texas Instruments DS90UB662-Q1 FPD-Link III Quad-Deserialisierer-Hub
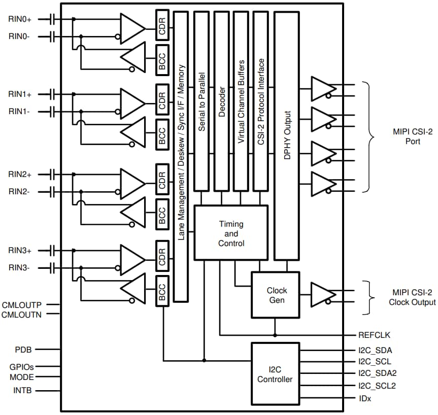
Der Texas Instruments DS90UB662-Q1 FPD-Link III Quad-Deserialisierer-Hub ist ein vielseitiger Sensor-Hub, der Daten eines serialisierten Sensors verbinden kann, die über eine FPD-Link III-Schnittstelle aus vier unabhängigen Videodatenströmen empfangen werden. In Verbindung mit einem DS90UB633A-Q1 oder DS90UB63x CSI-2-Serialisierer empfängt der DS90UB662-Q1 Daten von 1-Megapixel-Bildsensoren, die eine Auflösung von 720 p/800 p/960 p/1 MP bei Bildraten von 30 Hz oder 60 Hz unterstützen. Daten werden in einem mit MIPI CSI2-konformen Ausgang für die Verbindung mit einem nachgeschalteten Prozessor empfangen und gesammelt.Der DS90UB662-Q1 von Texas Instruments umfasst vier FPD-Link III-Deserialisierer, die jeweils eine Verbindung über kostengünstige 50-Ω-Single-Ended-Koaxialkabel oder 100-Ω-Differential-STP-Kabel ermöglichen. Die Empfangsentzerrer passen sich automatisch an, um Kabelverlusteigenschaften, einschließlich der Verschlechterung im Laufe der Zeit, auszugleichen. Jede der FPD-Link-III-Schnittstellen enthält außerdem einen separaten bidirektionalen Steuerkanal mit niedriger Latenz, der kontinuierlich I2C, GPIOs und andere Steuerinformationen überträgt. Auch allgemeine I/O-Signale, wie sie für die Kamerasynchronisierung und Diagnosefunktionen erforderlich sind, nutzen diesen bidirektionalen Steuerkanal.
Der DS90UB662-Q1 ist für Fahrzeuganwendungen AEC-Q100-qualifiziert und wird in einem kostengünstigen und platzsparenden 64-Pin-VQFN-Gehäuse angeboten.
Merkmale
- AEC-Q100-qualifiziert für Fahrzeuganwendungen:
- -40 °C bis +105 °C Umgebungsbetriebstemperaturbereich (Bauteiltemperatur Klasse 2)
- HBM-ESD-Bauteilklassifikationsstufe von ±3 kV
- CDM-ESD-Bauteilklassifikation Stufe C5
- Der Quad-Deserialisierer-Hub sammelt Daten von bis zu 4 Sensoren gleichzeitig
- Unterstützt 1-Megapixel-Sensoren mit einer Bildrate von bis zu 60 Hz und 2-Megapixel-Sensoren mit einer Bildrate von bis zu 30 Hz
- Präzise Multi-Kamera-Synchronisierung
- MIPI DPHY Version 1.2-/CSI-2 Version 1.3-konform
- Ein CSI-2 MIPI-Ausgangsanschluss
- Unterstützt 1, 2, 3, 4 Datenleitungen
- CSI-2-Datenraten-skalierbar für 400 MBit/s/800 MBit/s/1,5 GBit/s/1,6 GBit/s pro Datenspur
- Ultra-niedrige Daten- und Steuerpfad-Latenz
- Unterstützt einendige Koaxialkabel, einschließlich Power-over-Coax- (PoC) oder abgeschirmte verdrillte Doppelkabel (STP)
- Adaptiver Empfangsausgleich
- Duale I2C-Anschlüsse mit Fast-Mode-Plus bis zu 1 MBit/s
- Flexible GPIOs für Sensor-Synchronisierung und -Diagnose
- Kompatibel mit DS90UB633A-Q1 Serialisierer und DS90UB63x CSI-2-Serialisierer
- Interner programmierbarer Präzisions-Frame-Sync-Generator
- Leitungsfehlererkennung und erweiterte Diagnosefunktionen
- Fähig für die funktionale Sicherheit
- Dokumentation zur Unterstützung des Systemdesigns gemäß ISO 26262 ist verfügbar
Applikationen
- Automotive-FAS
- Rückansichtkameras (RVC)
- Rundumsicht-Systeme (SVS)
- Kameraüberwachungssysteme (CMS)
- Vorwärtssichtkameras (FC)
- Fahrer-Überwachungssysteme (DMS)
- Satelliten-RADAR-, Time-of-Flight- (ToF) und LIDAR-Sensormodule
- Sensor-Fusion
- Sicherheit und Überwachung
Funktionales Blockdiagramm
