Texas Instruments DS90UB949A-Q1 HDMI-zu-FPD-Link-III-Serialisierer
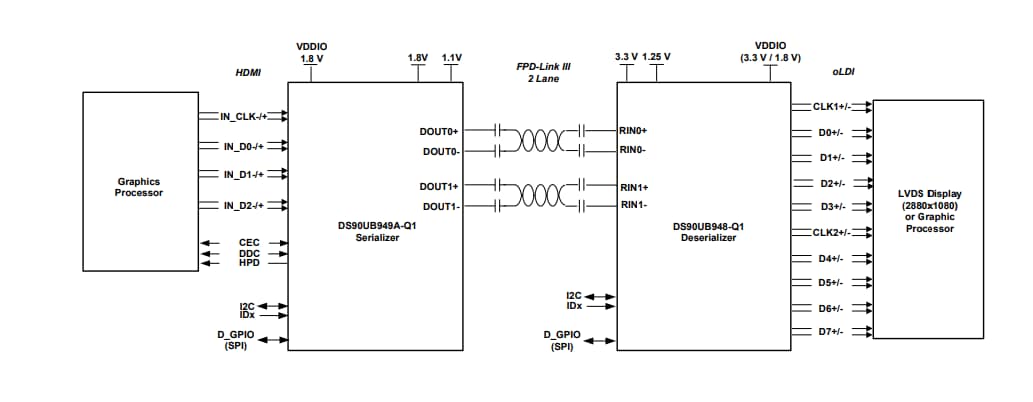
Texas Instruments DS90UB949A-Q1 2K-HDMI-zu-FPD-Link-III-Serialisierer versorgen 1-Lane- oder 2-Lane-Hochgeschwindigkeits-Ströme über kostengünstige, einendige 50-Ω-Koaxial- oder 100-Ω-Differential-STP- (shielded twisted-pair, STP) und STQ-Kabel (shielded twisted quad, STQ), wenn sie mit dem DS90UB940-Q1/DS90UB948-Q1 gepaart werden. Der DS90UB949A-Q1 kann einen HDMI v1.4b-Eingang zur Unterstützung von Video-Auflösungen von bis zu 2.880 x 1.080 bei 60 Hz mit einer 24-Bit-Farbtiefe serialisieren.Die FPD-Link III-Schnittstelle unterstützt sowohl Video- als auch Audiodatenübertragungen und eine vollständige Duplexsteuerung, einschließlich I2C- und SPI-Kommunikation über denselben Differential-Link. Die Konsolidierung von Videodaten und die Steuerung über zwei Differential-Paare kann die Größe und das Gewicht der Verbindungen reduzieren und das Systemdesign vereinfachen. EMI wird durch die Verwendung einer Niederspannungs-Differential-Signalgebung, einer Datenverschlüsselung und Randomisierung reduziert. Im rückwärtskompatiblen Modus unterstützt das Bauteil Auflösungen von 1.920 x 720 mit 24-Bit-Farbtiefe über einen einzelnen Differential-Link, wenn das Bauteil mit den DS90Ux92x-Q1 Deserialisierern gepaart ist.
Der DS90UB949A-Q1 unterstützt ein Mehrkanal-Audio, das über eine externe I2S-Schnittstelle mit einer optionalen Hilfs-Audio-Schnittstelle empfangen wird. Die DS90UB949A-Q1 Serialisierer sind für Fahrzeuganwendungen AEC-Q100-qualifiziert.
Merkmale
- AEC-Q101-qualifiziert für Fahrzeuganwendungen
- Bauteiltemperatur Klasse 2 von -40 °C bis +105 °C, TA
- Unterstützt mit einer 24-Bit-Farbtiefe TMDS-Taktfrequenzen von bis zu 210 MHz für 3.000 (2.880 x 1.620) bei 30 Hz, QXGA (2.048 x 1.536), 2.000 (2.880 x 1.080), WUXGA (1.920 x 1.200) oder Auflösungen von 1080p60
- FPD-Link-III-Einzel- und Dual-Ausgänge unterstützen STP- oder STQ-Koaxialkabel
- High-Definition-Multimedia (HDMI) v1.4b-kompatible Eingänge
- HDMI-Modus-DisplayPort-(DP++)-Eingänge
- HDMI-Audio-Extraktion für bis zu 8 Kanäle
- Hochgeschwindigkeits-Rückkanal unterstützt GPIO bis zu 2 MBit/s
- Verfolgt den Eingangstakt der Frequenzspreizung zur Reduzierung von EMI
- I2C (Master/Slave) mit 1 MBit/s Fast-Mode Plus
- SPI-Pass-Through-Schnittstelle
- Rückwärtskompatibel mit DS90UB926Q-Q1, DS90UB928Q-Q1 und DS90UB924-Q1 FPD-Link-III-Entserialisierern
Applikationen
- Automotive-Infotainment und -Kombiinstrumente
- Automotive-Haupteinheit
- Automotive-Rücksitz-Entertainment-Display
- Automotive-Haupt-Informationsdisplay
- Kombiinstrumente für Nutzfahrzeuge
- Automotive-Media-Hub
- Audio-/Video-Steuerungssystem
Applikations-Schaltungs-Diagramm
