Texas Instruments HDC3120EVM Evaluierungsmodul (EVM)
Das Texas Instruments HDC3120EVM Evaluierungsmodul (EVM) demonstriert das Betriebsverhalten des analogen Feuchtigkeits- und Temperatursensors HDC3120. Dieses Modul bietet eine Evaluierungs- und Integrationsflexibilität auf Systemebene, die ermöglicht, das Verhalten des Sensors unter verschiedenen Temperatur-, Feuchtigkeits- und Stromversorgungsbedingungen zu prüfen. Das Modul HDC3120EVM verfügt über zwei integrierte Komparatoren der Baureihe TLV9030, die analoge Alarmausgänge bereitstellen, wenn der Temperatur- oder Feuchtigkeitsanalogausgang des HDC3120 einen benutzerdefinierten Schwellenwert überschreitet. Zu den typischen Applikationen zählen elektronische Servolenkungen (EPS), Batteriemanagementsysteme (BMS), HLK, Umrichter, Rechenzentren, Telekommunikationsstromversorgungssysteme, Haushaltsgeräte und Energieinfrastrukturen.Merkmale
- Einfache Applikation zum Evaluieren der Temperatur- und Feuchtigkeitsfunktionalität des HDC3120
- Die enthaltenen TLV9030 Komparatoren ermöglichen eine schalterähnliche Funktion zur weiteren Evaluierung des Sensors im Endgeräte-Designprozess.
- Eine große Auswahl an Anschluss- und Testpunkten für den Komfort des Benutzers
Applikationen
- Große Haushaltsgeräte
- Geschirrspülmaschinen
- Waschmaschinen und Trockner
- Kühlschränke und Gefriergeräte
- Energieinfrastruktur:
- Batterie-Energiespeichersysteme
- Fernautomatisierung von Stromverteilungen
- Rechenzentren
- Stromversorgung für Telekommunikationssysteme
- Fahrzeuge:
- Elektronische Servolenkung (EPS)
- Batteriemanagementsystem (BMS)
- HLK
- Umrichter
Platinenübersicht
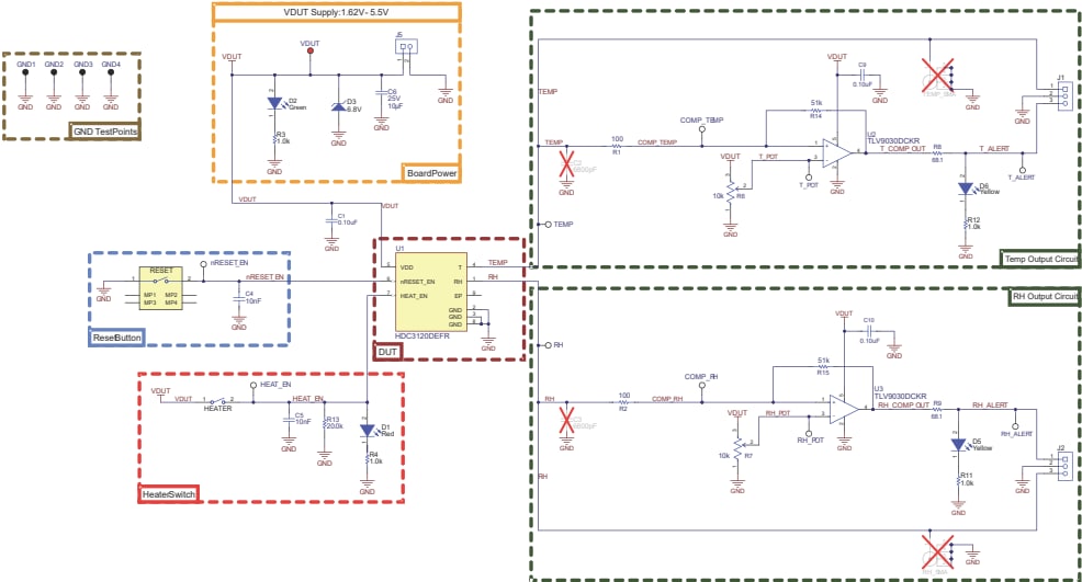
Schaltschema
Veröffentlichungsdatum: 2025-06-30
| Aktualisiert: 2025-07-17
