Texas Instruments INA250 Bidirektionale Null-Drift-, Strom-Shunt-Monitore
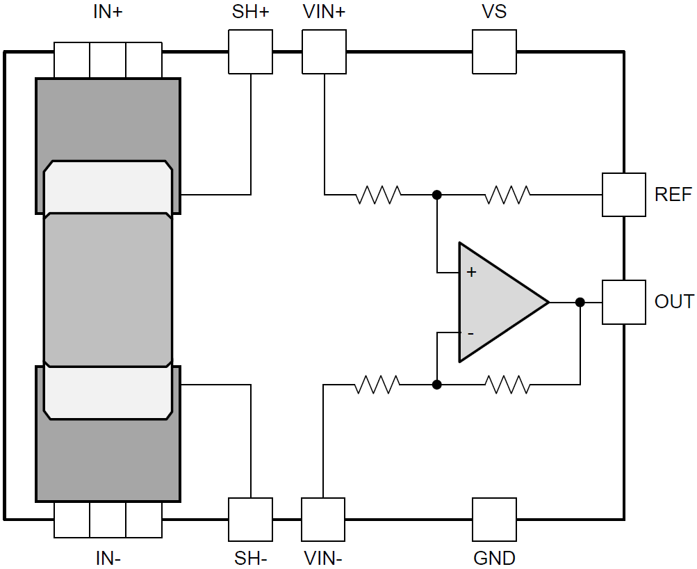
Der Texas Instruments INA250 bidirektionale Null-Drift-, Strom-Shunt-Monitor ist ein Strommessverstärker mit Ausgangsspannung, der einen internen Shunt-Widerstand integriert. Dies ermöglicht Strommessungen mit hoher Genauigkeit bei Gleichtaktspannungen, die unabhängig von der Versorgungsspannung von 0V bis 36V reichen können. Die Komponente ist ein bidirektionaler Low- oder High-Side-Strom-Shunt-Monitor. Er ermöglicht die Verwendung einer externen Referenz zur Messung des Stromflusses in beide Richtungen durch den Strommesswiderstand. Durch die Integration des präzisen Strommesswiderstands wird eine kalibrierungsäquivalente Messgenauigkeit mit sehr geringen Abweichungen der Temperaturschwankungen erreicht. Außerdem wird sichergestellt, dass stets ein optimiertes Kelvin-Layout für den Messwiderstand erreicht wird.Merkmale
- Precision Integrated Shunt Resistor
- 2mΩ shunt resistor
- 0.1% (max) shunt resistor tolerance
- 15A continuous from -40°C to +85°C
- 0°C to +125°C temperature coefficient: 10ppm/°C
- High Accuracy
- 0.3% (max) gain error (shunt and amplifier)
- 50mA (max, INA250A2) offset current
- Four Available Gains
- INA250A1: 200mV/A
- INA250A2: 500mV/A
- INA250A3: 800mV/A
- INA250A4: 2V/A
- -0.1V to 36V wide common-mode range
- -40°C to +125°C operating temperature range
Applikationen
- Test equipment
- Power supplies
- Servers
- Telecom equipment
- Automotive
- Solar inverters
- Power management
Datasheets
Functional Block Diagram
Veröffentlichungsdatum: 2015-07-09
| Aktualisiert: 2025-05-29
