Texas Instruments INA826S Instrumentenverstärker

Der Texas Instruments INA826S Instrumentenverstärker ist ein kostengünstiger Verstärker, der einen extrem geringen Stromverbrauch zusammen mit einer Abschaltfunktion bietet und über einen sehr großen Einzel- oder Dual-Versorgungsbereich betrieben wird. Über einen einzelnen externen Widerstand lassen sich Verstärkungsfaktoren von 1 bis 1.000 einstellen. Das Bauelement bietet aufgrund der niedrigen Gain-Drift von nur 35 pp/°C (max.) eine ausgezeichnete Stabilität über Temperatur, auch bei G > 1. Dieser INA826S Verstärker ist für ein ausgezeichnetes Gleichtaktunterdrückungsverhältnis von über 100 dB (G = 10) für Frequenzen bis zu 5 kHz optimiert. Bei G = 1 übersteigt das Gleichtaktunterdrückungsverhältnis 84 dB über den gesamten Eingangsgleichtaktbereich von der negativen Versorgungsspannung bis hin zur positiven Versorgung von 1 V. Mit einem Rail-to-Rail-Ausgang ist der INA826S gut geeignet für einen Betrieb mit niedriger Spannung von einer Einzelversorgung von 3 V und Dual-Versorgungen von bis zu ±18 V.

These INA826S amplifiers are optimized to provide an excellent common-mode rejection ratio of over 100dB (G = 10) over frequencies up to 5kHz. At G = 1, the common-mode rejection ratio exceeds 84dB across the entire input common-mode range from the negative supply up to 1V of the positive supply. The Texas Instruments INA826S amplifiers are well-suited for low voltage operation from a 3V single supply and dual supplies up to ±18V using a rail-to-rail output.

Merkmale

  • Eingangsgleichtaktbereich: einschließlich V-
  • Gleichtaktunterdrückung:
    • 104 dB (min., G = 10)
    • 100 dB (min. bei 5 kHz, G = 10)
  • Stromversorgungsunterdrückung: 100 dB, (min., G = 1) 
  • Niedrige Offsetspannung: 150 μV (max.)
  • Gain-Drift: 1 ppm/°C (G = 1), 35 ppm/°C (G > 1)
  • Rauschpegel: 18 nV/√Hz, G ≥ 100
  • Bandbreite: 1 MHz (G = 1), 60 kHz (G = 100)
  • Eingänge geschützt bis zu ±40 V
  • Rail-to-Rail-Ausgang
  • Versorgungsstrom: 200 µA
  • 2 µA Abschaltstrom
  • Versorgungsbereich:
    • Einzelversorgungsbetrieb: 3 V bis 36 V
    • Dual-Versorgungsbereich: ±1,5 V bis ±18 V
  • Temperaturbereich: -40 °C bis 125 °C
  • VSON-Gehäuse von 3 mm x 3 mm

Applikationen

  • Industrie-Prozesssteuerungen
  • Leistungsschalter
  • Batterietester
  • ECG-Verstärker
  • Leistungs-Automatisierung
  • Medizinische Messgeräte
  • Tragbare Messgeräte

Videos

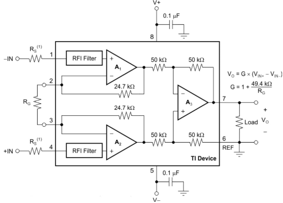
INA826S Vereinfachter interner Schaltplan

Schaltplan - Texas Instruments INA826S Instrumentenverstärker
Veröffentlichungsdatum: 2017-08-04 | Aktualisiert: 2024-05-29