Texas Instruments ISO7241C Digitaler Isolator
Der Texas Instruments ISO7241C Quad-Kanal, 3/1, 25 MBit/s, Digital-Isolator ist Teil der Digital-Isolator-Produktfamilie, die mehrere Kanalkonfigurationen und Ausgangsaktivierungsfunktionen aufweist. Dieses TI-Bauteil hat logische Eingangs- und Ausgangspuffer, die durch die Siliciumoxid-Isolationsbarriere (SiO2) von TI getrennt sind. Wenn sie in Verbindung mit den isolierten Stromversorgungen verwendet werden, blockieren sie hohe Spannungen, isolieren gegen Erde und verhindern, dass Rauschströme in die örtliche Erde eindringen und empfindliche Schaltungen stören oder beschädigen. ISO7241 hat drei Kanäle in der gleichen Richtung und einen entgegengesetzten Kanal. Die C-Option-Bauteile haben TTL-Eingangsschwellen und einen Rauschfilter am Eingang, der verhindert, dass transiente Impulse zum Ausgang des Bauteils geleitet werden. Die M-Optionsgeräte verfügen über CMOS-Vcc/2-Eingangsschwellen und nicht über den Eingangsrauschfilter oder die zusätzliche Laufzeitverzögerung.Merkmale
- Auswählbarer ausfallsicherer Ausgang
- 25 und 150 Mbps Signalgebungsraten-Optionen:
- Geringer Ausgangs-Bitversatz Kanal-zu-Kanal; 1 ns max.
- Geringe Pulsbreitenverzerrung (PWD); 2 ns max.
- Low-Jitter-Inhalt; 1 ns typ. bei 150 Mbps
- Typische 25-Jahres-Lebensdauer bei Nennbetriebsspannung
- 4000 VSpitze VIOTM, 560 VSpitze, VIORM gemäß IEC 60747-5-2 (VDE 0884, Rev 2)
- Zulassung gemäß UL 1577, IEC 61010-1, IEC 60950-1 und CSA
- 4 kV ESD-Schutz
- Wird mit 2,8-V- (ISO7241C), 3,3-V- oder 5-V-Netzteilen betrieben
- Hohe Beständigkeit gegen elektromagnetische Störungen
- Betriebsbereich von -40 °C bis 125 °C
Applikationen
- Industrieller Feldbus
- Periphere Schnittstellen in Computern
- Servo-Schnittstellensteuerung
- Datenerfassung
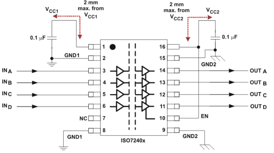
Funktionsdiagramm
Dazugehörige Tools
Veröffentlichungsdatum: 2019-10-07
| Aktualisiert: 2023-11-22
