Texas Instruments ISOW774x/ISOW774x-Q1 Vierkanal-Digital-Isolatoren
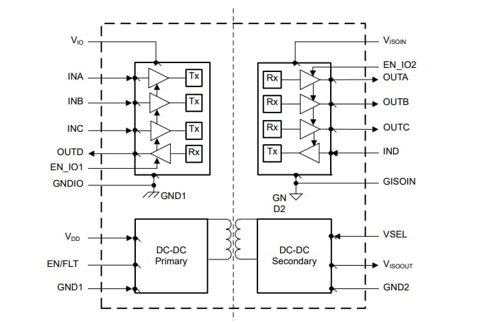
Die ISOW774x/ISOW774x-Q1 Vierkanal-Digital-Isolatoren von Texas Instruments sind mit einem integrierten Leistungswandler mit hohem Wirkungsgrad galvanisch getrennt, der geringe Emissionen erzeugt. Der integrierte DC/DC-Wandler unterstützt eine isolierte Leistung von bis zu 550 mW, wodurch die Notwendigkeit für eine separate isolierte Stromversorgung in platzbeschränkten isolierten Designs entfällt. Die ISOW774x/ISOW774x-Q1 Vierkanal-Digitalkoppler von Texas Instruments sind galvanisch isoliert mit einem integrierten hocheffizienten Spannungswandler mit geringer Emission. Die Isolatoren verhindern, dass Störströme auf Datenbussen wie UART, SPI, RS-485, RS-232, CAN oder anderen Schaltungen in die lokale Masse eindringen und empfindliche Schaltungen stören oder beschädigen. Die ISOW774x/ISOW774x-Q1 sind in einem Gehäuse mit 20 Anschlüssen im breiten SOIC-Format (SOIC-WB-DFM-Gehäuse) untergebracht und ermöglichen einen Betrieb im weiten Umgebungstemperaturbereich von –40°C bis +125°C.Merkmale
- Für Fahrzeuganwendungen zugelassen
- Mit den folgenden Ergebnissen gemäß AEC-Q100 qualifiziert:
- Bauteiltemperatur Klasse 1: -40 °C bis +125 °C Umgebungsbetriebstemperaturbereich
- Integrierter DC-DC-Wandler mit geringer Emission und geringem Rauschen
- Emission optimiert, um CISPR 32 und EN 55032 Klasse B mit einem Abstand von >5 dB auf einem zweilagigen Board zu erfüllen
- Niederfrequenz-Leistungswandler bei 25 MHz ermöglicht eine rauscharme Leistung
- Niedrige Ausgangswelligkeit: 24 mV
- Ausgangsleistung mit hohem Wirkungsgrad
- Wirkungsgrad bei max. Last: 46 %
- Bis zu 0,55 W Ausgangsleistung
- VISOOUT Genauigkeit von 5 %
- 5 V bis 5 V: Verfügbarer Laststrom von 110 mA (max.)
- 5 V zu 3,3 V: Maximaler verfügbarer Laststrom = 140 mA
- 3,3 V zu 3,3 V: Maximaler verfügbarer Laststrom = 60 mA
- Unabhängige Stromversorgung für Kanalisolator und Leistungswandler
- Logikversorgung (VIO): 1,71 V bis 5,5 V
- Versorgungsbereich des Stromwandlers (V DD): 3 V bis 5,5 V
- 100 Mbps Datenrate
- Robuste elektromagnetische Verträglichkeit (EMV)
- ESD-, EFT- und Stoßstromimmunität auf Systemebene
- ±8 kV IEC 61000-4-2 Kontaktentladungsschutz über die Isolationsbarriere
- Verstärkte und grundlegende Isolierungsoptionen
- Hohe CMTI: 100 kV/µs (typisch)
- Sicherheitsbezogene Zertifizierungen (geplant)
- VDE-verstärkte und Basisisolierung gemäß DIN VDE V 0884-11:2017-01
- UL 1577 Komponentenerkennungsprogramm
- IEC 62368-1, IEC 61010-1, IEC 60601-1 und GB 4943.1-2011 Zertifizierungen
- Erweiterter Temperaturbereich von -40 °C bis +125 °C
- 20-Pin-Wide-Body-SOIC-Gehäuse
Applikationen
- Fabrikautomatisierung
- Motorsteuerung
- Netzinfrastruktur
- Medizinische Geräte
- Prüf- und Messanlagen
Videos
Vereinfachter Schaltplan
Datenblätter
Veröffentlichungsdatum: 2022-03-31
| Aktualisiert: 2023-05-17
