Texas Instruments LM25011 Schaltregler

Texas Instruments LM25011 Schaltregler

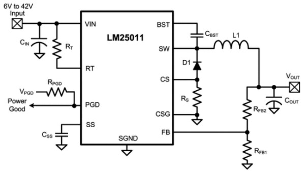
Der Abwärtsschaltregler nach dem COT-Prinzip (Constant On-Time) LM25011 von Texas Instruments besitzt alle benötigten Funktionen, um einen effizienten und kostengünstigen Abwärtsregler zu implementieren, der bis zu 2A Laststrom liefern kann. Dieser Hochspannungsregler umfasst einen n-Kanal-Abwärtsschalter, einen Start-up-Regler, eine Strombegrenzungserkennung und eine interne Rundsteuerung. Der Constant On-Time-Steuermodus (COT) verlangt keine Schleifenkompensation, was eine schnelle Last-Einschwingzeit und einfache Schaltkreisumsetzung zur Folge hat. Die Betriebsfrequenz bleibt bei Leitungs- und Laständerungen konstant. Die einstellbare Talstromgrenze führt zu einem sanften Übergang von konstanter Spannung zu konstantem Strommodus, sobald eine Stromgrenze erkannt wird, ohne Verwendung eines einziehenden Stroms. Der PGD-Ausgang zeigt, dass die Ausgangsspannung um 5% des erwarteten Regelwerts erhöht ist. Zu den weiteren Funktionen gehören: geringe Restwelligkeit, VIN-Unterspannungssperre, einstellbare Softstart-Zeit, thermische Abschaltung, Gate-Treiber-Vorladung, Gate-Treiber-Unterspannungssperre und eine maximale Tastverhältnisgrenze. Der LM25011A verfügt über eine kürzere Ausschaltzeit als der LM25011. Dadurch wird ein höherer Frequenzbetrieb bei niedrigen Eingangsspannungen ermöglicht.


Merkmale
  • Der LM25011Q ist ein Automobilgüte-Produkt, das nach AEC-Q100 Güte 1 (-40°C bis +125°C Sperrschichtbetriebstemperatur) qualifiziert ist.
  • Der LLM25011A ermöglicht Betrieb mit geringem Ausfall bei hoher Schaltfrequenz
  • Eingangsspannungsbereich: 6V bis 42V
  • Absolute maximale Eingangsleistung: 45V
  • Integrierter n-Kanal-Abwärtsschalter mit 2A
  • Einstellbare Strombegrenzung ermöglicht kleinere Induktivitäten
  • Einstellbare Ausgangsspannung von 2,51V
  • Mindest-Brummspannung bei VOUT
  • Power-Good-Ausgang
  • Anpassbare Schaltfrequenz bis 2MHz


  • Merkmale der COT-Topologie:
    • Die Schaltfrequenz bleibt bei Laststrom- und Eingangsspannungsänderungen nahezu konstant
    • Sehr schnelle Einschwingzeit
    • Keine Schleifenkompensation erforderlich
    • Stabiler Betrieb mit Keramik-Ausgangskondensatoren
    • Ermöglicht kleineren Ausgangskondensatoren und Strommesswiderstand
  • Einstellbare Softstart-Zeit
  • Überhitzungsschutz
  • Exakte 2% Feedbackreferenz
  • Gehäuse: 10-Pin, VSSOP

Typische Anwendung
Typische Anwendung

Funktionsdiagramm
Funktionsdiagramm

eNews
  • Texas Instruments
Veröffentlichungsdatum: 2014-05-08 | Aktualisiert: 2022-03-11