Texas Instruments LM2577x SIMPLE SWITCHER® Spannungsregler
Die LM2577x SIMPLE SWITCHER® Spannungsregler von Texas Instruments sind monolithische ICs, die alle aktiven Funktionen für einen Abwärts(Buck)-, Sperr- und Durchflusswandler-Schaltregler bieten. Diese Regler sind in der Lage, eine 3-A-Last mit einer hervorragenden Leitungs- und Lastregelung anzusteuern. Die LM2576x Bauteile sind in festen Ausgangsspannungen von 3,3 V, 5 V, 12 V, 15 V und einer einstellbaren Ausgangsversion verfügbar. Die LM2576x Spannungsregler bieten eine hocheffizienten Ersatz für die bewährten Linearregler mit drei Ausgängen. Diese Spannungsregler verfügen über einen hohen Wirkungsgrad, eine TTL-Abschaltfunktion und vereinfachen das Design von Schaltnetzteilen in hohem Maß.Merkmale
- Wenige externe Komponenten erforderlich
- NPN-Ausgangsschalter von 3 A mit einer Spannung im Aus-Zustand von bis zu 65 V
- Großer Eingangsspannungsbereich von 3,5 V bis 40 V
- Strommodus-Betrieb für ein besseres Einschwingverhalten, eine bessere Leitungsregelung und Strombegrenzung
- Interner 52-kHz-Oszillator
- Soft-Start-Funktion verringert den Einschaltstrom beim Hochfahren
- Ausgangsschalter wird durch eine Strombegrenzung, Unterspannungssperre und thermische Abschaltung geschützt
Applikationen
- Einfacher Aufwärtsregler
- Sperr- und Durchflussregler
- Regler mit mehreren Ausgängen
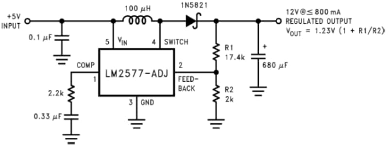
Applikations-Schaltung
Veröffentlichungsdatum: 2019-07-19
| Aktualisiert: 2023-10-02
