Texas Instruments LM51231-Q1 Boost Controller
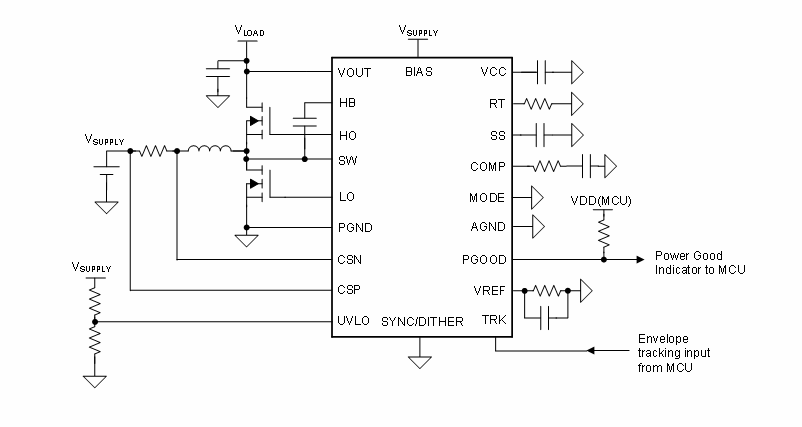
Der LM51231-Q1 Boost Controller von Texas Instruments bietet einen großen Eingangsbereich und verwendet eine Spitzenstrommodussteuerung. Der große Eingangsbereich des Bauteils unterstützt Automotive-Kaltstart und Lastabwurf. Die minimale Eingangsspannung kann so niedrig wie 0,8 V sein, wenn die Vorspannung auf dem Bauteil gleich oder größer als 3,8 V ist. Der LM51231-Q1 verfügt über eine Ausgangsspannung, die mit der Tracking-Funktion dynamisch programmiert werden kann. Gleichzeitig wird bei VSUPPLY > VLOAD der Betrieb im Bypass-Modus automatisch gestartet, wodurch der Gehäuse-Diodenabfall des High-Side-MOSFET eliminiert wird. Die Schaltfrequenz wird dynamisch mit einem externen Widerstand von 100 kHz bis 2,2 MHz programmiert. Das Schalten bei 2,2 MHz reduziert AM-Bandstörungen und ermöglicht eine kleine Lösungsgröße und ein schnelles Einschwingverhalten.Der Boost-Controller von TI LM51231-Q1 verfügt über integrierte Schutzfunktionen wie Spitzenstrombegrenzung, die über VSUPPLY konstant ist, Überspannungsschutz und thermische Abschaltung. Die externe Taktsynchronisierung, die programmierbare Modulation der Frequenzspreizung sowie ein bleifreies Gehäuse mit minimalen Störeffekten helfen, die EMI zu reduzieren und einen Nebensignaleffekt zu vermeiden. Weitere Funktionen umfassen UVLO, FPWM, Diodenemulation, DCR-Induktivitätsstrommessung, programmierbarer Soft-Start und eine Power-Good-Anzeige.
Merkmale
- AEC-Q100 qualifiziert für Automobilanwendungen
- Temperaturklasse 1 von -40 °C bis +125 °C, TA
- Fähig für die funktionale Sicherheit
- Dokumentation zur Unterstützung des Designs von funktionalen Sicherheitssystemen ist verfügbar
- Geeignet für einen weiten Betriebsbereich von batteriebetriebenen Automotive-Applikationen
- Eingangsbetriebsbereich: 3,8 V bis 42 V
- Dynamisch programmierbarer VOUT von 5 V bis 20 V oder von 15 V bis 57 V
- Minimaler Boost-Eingang 0,8 V wenn Vorspannung ≥ 3,8 V
- Bypass-Betrieb, wenn VSUPPLY; VLOAD
- Vorspannung Abschaltstrom ≤3μA
- Kleine Lösungsgröße
- Maximale Schaltfrequenz: 2,2 MHz
- Integrierte Boot-Diode
- QFN-20 mit benetzbaren Flanken
- EMI-Reduzierung und Vermeidung von AM-Band-Störungen und Nebensignaleffekt
- Optionale Taktsynchronisierung
- Schaltfrequenz von 100 kHz bis 2,2 MHz
- Wählbarer Schaltmodus (FPWM, Dioden-Emulation)
- Optionale programmierbare Frequenzspreizung
- Unbedrahtetes Gehäuse
- Programmierbarkeit und Flexibilität
- Dynamische VOUT-Verfolgung
- Dynamische Programmierung der Schaltfrequenz
- Unterstützt DCR-Induktivitäts-Strommessung
- Programmierbare Eingangsspannungs-UVLO
- Einstellbarer Soft-Start
- Adaptive Totzeit
- PGOOD-Anzeige
- Integrierte Schutzfunktionen
- Konstante Zyklus-zu-Zyklus-Spitzenstrombegrenzung über VSUPPLY
- Überspannungsschutz
- HB-SW Kurzschlussschutz
- Thermische Abschaltung
Applikationen
- Automotive-Audio-Netzteil mit Verfolgung
- Automotive-LED-Vorspannungsversorgung
Typische Applikation
Veröffentlichungsdatum: 2022-12-20
| Aktualisiert: 2025-03-05
