Texas Instruments LM5146-Q1 Synchroner 100-V-Abwärtscontroller
Der Texas Instruments LM5146-Q1 synchrone 100-V-Abwärtscontroller ist für die Regelung von einer hohen Eingangsspannungsquelle oder von einer Eingangsschiene mit Hochspannungstransienten ausgelegt. Durch dieses Design wird auch die Anzahl externer Stoßstrom-Unterdrückungskomponenten verringert. Die minimale Einschaltzeit von 40 ns des High-Side-Schalters ermöglicht hohe Abwärtsverhältnisse, so dass die direkte Abwärtswandlung von einem 48 V-Nenneingang zu Niederspannungsschienen für reduzierte Systemkomplexität und Kosten möglich ist. Der LM5146-Q1 arbeitet weiterhin bei Eingangsspannungseinbrüchen bis zu 5,5 V, bei Bedarf mit nahezu 100 % Einschaltdauer. Dadurch ist dieses Bauteil eine ausgezeichnete Wahl für leistungsstarke 48-V-Batterie-Fahrzeuganwendungen, FAS- (Rundumsicht-ECU) und HEV-/EV-Systeme.Merkmale
- Nach AEC-Q100 für Fahrzeuganwendungen qualifiziert
- Bauteiltemperatur Klasse 1: -40 °C bis +125 °C Umgebungsbetriebstemperaturbereich
- Vielseitiger synchroner DC/DC-Abwärtscontroller
- Großer Eingangsspannungsbereich von 5,5 V bis 100 V
- Einstellbare Ausgangsspannung von 0,8 V bis 60 V
- Spannungsbetriebssteuerung mit Leitungs-Mitkopplung
- Erfüllt CISPR 25 EMI-Standard
- Verlustfreie RDS(on) oder Shunt-Strommessung
- Schaltfrequenz von 100 kHz bis 1 MHz
- SYNC-In- und SYNC-Out-Fähigkeit
- 40 ns Mindestzeit für hohes VIN-/VOUT-Verhältnis
- 140 ns Ausschaltzeit für niedrigen Dropout
- 0,8 V Referenz mit ±1 % Rückkopplungsgenauigkeit
- 7,5-V-Gate-Treiber für standardmäßige VTH-MOSFETs
- 14 ns adaptive Totzeit-Regelung
- 2,3 A Quell- und 3,5 A Sinkkapazität
- Low-Side-Soft-Start für vorgespanntes Start-up
- Einstellbarer Soft-Start oder optionale Spannungsverfolgung
- Präzisionsfreigabeeingang und Open-Drain-Power-Good-Anzeige für Sequenzierung und Steuerung
- Inhärente Schutzfunktionen für robustes Design
- Hiccup-Modus-Überstromschutz
- Eingang-UVLO mit Hysterese
- VCC- und Gate-Drive-UVLO-Schutz
- Übertemperaturschutz mit Hysterese
- 20-Pin-VQFN-Gehäuse mit benetzbaren Flanken
Applikationen
- Leistungsstarker Automotive-DC/DC-Regler
- Automotive-Motorantriebe, FAS
- HEV/EV-Leistung konform mit LV-148
Datasheets
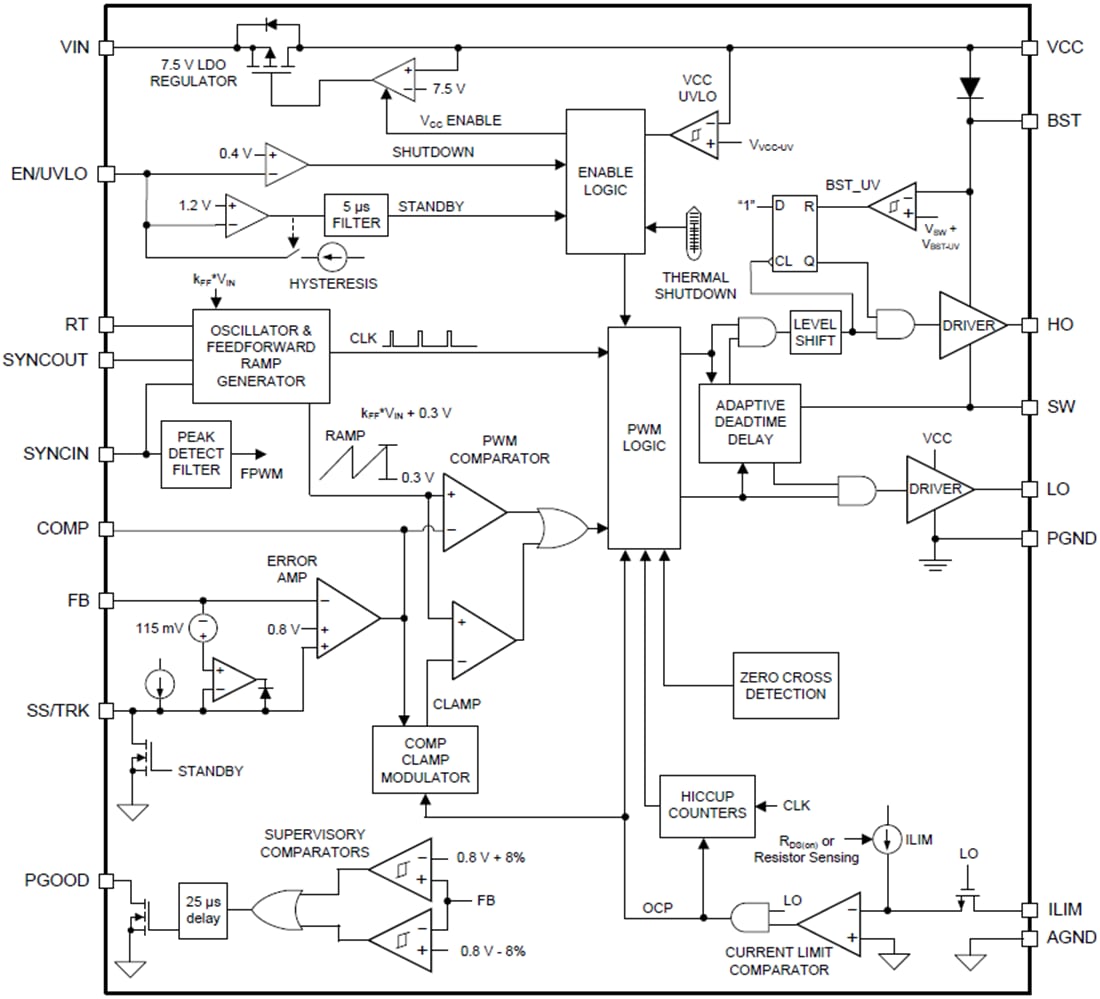
Funktionales Blockdiagramm
Veröffentlichungsdatum: 2019-03-06
| Aktualisiert: 2023-07-27
