Texas Instruments LM51772 Auf-/Abwärtsregler mit 4 Schaltern
Der Texas Instruments LM51772 Auf-/Abwärtsregler mit 4 Schaltern liefert eine geregelte Ausgangsspannung, wenn die Eingangsspannung höher, gleich oder niedriger als die eingestellte Ausgangsspannung ist. Im Energiesparmodus unterstützt das Bauelement einen sehr hohen Wirkungsgrad über den gesamten Betriebsbereich des Ausgangs. Der LM51772 arbeitet mit einer festen Schaltfrequenz, die über den RT/SYNC-Pin eingestellt werden kann. Bei der erzwungenen PWM bleibt die Schaltfrequenz während des Abwärts-, Aufwärts- und Abwärts-Aufwärtsbetriebs konstant. Der externe Kompensationsstift ermöglicht ein sehr schnelles Einschwingverhalten für verschiedene Applikationen. Das Bauelement hat eine geringe Übergangswelligkeit in allen Betriebsarten. Die Ausgangsspannung und die Bauelementkonfigurationen können über die integrierteI2C-Schnittstelledynamisch programmiert werden. Der integrierte und optionale High-Side-Stromsensor bietet eine genaue Ausgangs- oder Eingangsstrombegrenzung. Die durchschnittliche Strombegrenzung des LM51772 von Texas Instruments ist ebenfalls über dieI2C-Schnittstellekonfigurierbar.Merkmale
- Eingangsbereich von 0 V (V(BIAS) ≥ 3,5 V) bis 55 V
- Ausgangsspannung 1 V bis 55 V
- Dynamische Vo-Programmierung über I2Cvon
- 3,3 V bis zu 48 V in monotonen 20 mV Schritten
- 1 V bis zu 24 V in monotonen 10 mV Schritten
- Steuerung der Spitzenstromregelung
- Geringe Spannungsübergangswelligkeit in allen Betriebsarten
- Dynamisches Tracking der Ausgangsspannung (digitaler PWM-Trackingeingang, analoger Trackingeingang)
- Programmierung überI2C-Schnittstelle
- Ruhestrom von 3 µA beim Herunterfahren
- Betriebs-Ruhestrom von 60 µA
- DRV-Pin für externe FET-Steuerung
- Auswahl des Betriebsmodus für hohen Wirkungsgrad bei geringer und hoher Last
- Energiesparmodus (Burst/µSleep)
- Automatischer/programmierbarer Leitungsmodus
- Integrierte Hochspannungsversorgung LDO
- Zusätzliche Hochspannungs-LDO/Referenz
- Integrierte Vollbrücken-Gate-Ansteuerung
- Spitzenstromfähigkeit von 2 A
- Bootstrap-Schutz gegen Über- und Unterspannung
- Integrierte Bootstrap-Diode
- Festfrequenz unabhängig vom Betriebsmodus (aufwärts/abwärts-aufwärts/abwärts)
- Erzwungener PWM-Modus auswählbar
- Umschaltfrequenz von 100 kHz bis 2,2 MHz
- Externe Taktsynchronisierung und Taktausgang
- Frequenzspreizungsbetrieb wählbar
- Sensor für durchschnittlichen Eingangs- oder Ausgangsstrom
- Programmierbar von 0,5 A (5 mV) bis 7 A (70 mV) in 50-mA-Schritten (500 µV)
- ISET-Pin wählbar
- I2C-Schnittstellezur Anzeige der Überwachungsfunktionen
Applikationen
- USB Type-C™ PD (Power Delivery) (Dockingstation, PC-Monitor, Desktop-PC)
- Kabelloses Laden
- Industrie-PC/robuster PC
- Batterie-Backup-Einheit
- Händler-DC/DC
- Avionik/Marine-Sonar
- Geländefahrzeug
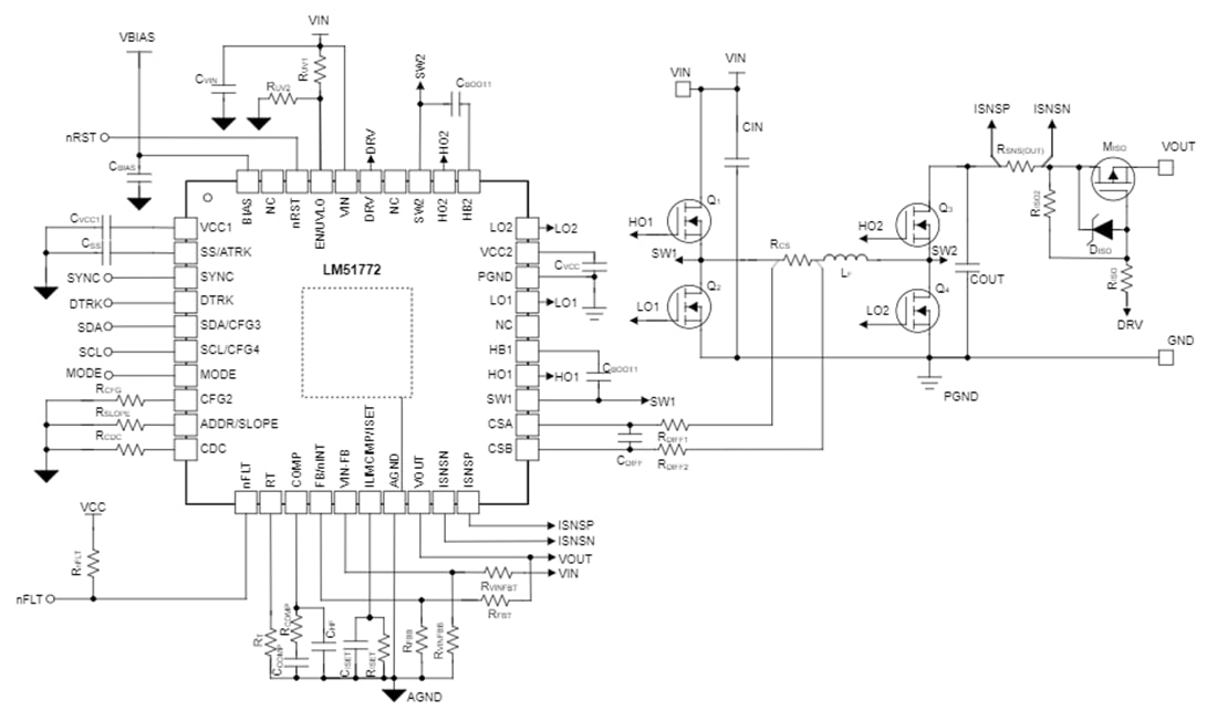
Typischer Applikationsschaltplan
Veröffentlichungsdatum: 2024-08-16
| Aktualisiert: 2024-08-26
