Texas Instruments LM61440/LM61440-Q1 Synchroner Abwärtswandler
Der Texas Instruments LM61440/LM61440-Q1 rauscharme synchrone Abwärtswandler ist ein synchroner DC/DC-Abwärtswandler mit hoher Leistungsfähigkeit. Mit integrierten High-Side- und Low-Side-MOSFETs wird ein Ausgangsstrom von bis zu 4 A über einen großen Eingangsbereich von 3,0 V bis 36 V mit einer Toleranz von 42 V geliefert, wodurch das Eingangs-Überspannungsschutz-Design vereinfacht wird. Der LM61440/LM61440-Q1 implementiert eine sanfte Wiederherstellung vom Dropout, wodurch eine Überschwingung am Ausgang verhindert wird. Der LM61440/LM61440-Q1 ist speziell für minimale EMI ausgelegt. Das Bauteil enthält eine einstellbare SW-Knoten-Anstiegszeit, ein VQFN-HR-Gehäuse mit niedriger EMI, das über ein geringes Schaltknoten-Überschwingen und eine optimale Pinbelegung für eine einfache Verwendung verfügt. Die Schaltfrequenz kann zwischen 200 kHz und 2,2 MHz eingestellt oder synchronisiert werden, um rauschempfindliche Frequenzbänder zu vermeiden. Außerdem kann die Frequenz so gewählt werden, dass bei einer niedrigen Betriebsfrequenz ein besserer Wirkungsgrad oder bei einer hohen Betriebsfrequenz eine kleinere Lösung erzielt wird.Der Auto-Mode ermöglicht die Frequenzrückführung beim Betrieb unter geringer Last, was einen unbelasteten Stromverbrauch von nur 7 µA (typisch) und einen hohen Wirkungsgrad bei geringer Last ermöglicht. Der nahtlose Übergang zwischen PWM- und PFM-Modi sowie sehr niedrige MOSFET-EIN-Widerstände und ein externer Vorspannungseingang sorgen für einen außergewöhnlichen Wirkungsgrad über den gesamten Lastbereich. Die elektrischen Eigenschaften sind über einen Sperrschichttemperaturbereich von -40 °C bis +150 °C spezifiziert. Die LM61440-Q1-Bausteine von Texas Instruments sind nach AEC-Q100 für Fahrzeuganwendungen qualifiziert.
Merkmale
- Für Anforderungen für extrem niedrige EMI optimiert
- Hotrod™-Gehäuse reduziert das Schaltknoten-Überschwingen
- Der parallelgeschaltete Eingangspfad reduziert die parasitäre Induktivität
- Einstellbare SW-Knoten-Anstiegszeit
- Leistungsumwandlung mit hohem Wirkungsgrad bei allen Lasten
- 7 µA Nulllaststrom bei 13,5 VIN, 3,3 VOUT
- 83 % PFM-Wirkungsgrad unter 1 mA, 13,5 VIN, 5 VOUT
- Niedriger MOSFET-ON-Widerstand
- RDS_ON_HS = 41 mΩ (typisch)
- RDS_ON_LS = 21 mΩ (typisch)
- Externe Vorspannungsoption für verbesserten Wirkungsgrad
- Für zuverlässige und robuste Applikationen ausgelegt
- Unterstützt Transienten von 42 V
- ±1 % Gesamtgenauigkeit der Ausgangsregelung
- VOUT einstellbar von 1 V bis 95 % von VIN
- 0,3 V Dropout mit 3 A Last (typisch)
- Geeignet für skalierbare Stromversorgung
- Pin-kompatibel mit
- LM61440-Q1 (36 V, 4 A, einstellbare fSW)
- LM61460 (36 V, 6 A, einstellbare fSW)
- Pin-kompatibel mit
Applikationen
- USB-Typ-C
- CPU-Board für Industrieroboter
- Industrie-PC-Single-Board-Computer
- Prüf- und Messgeräte
Datenblätter
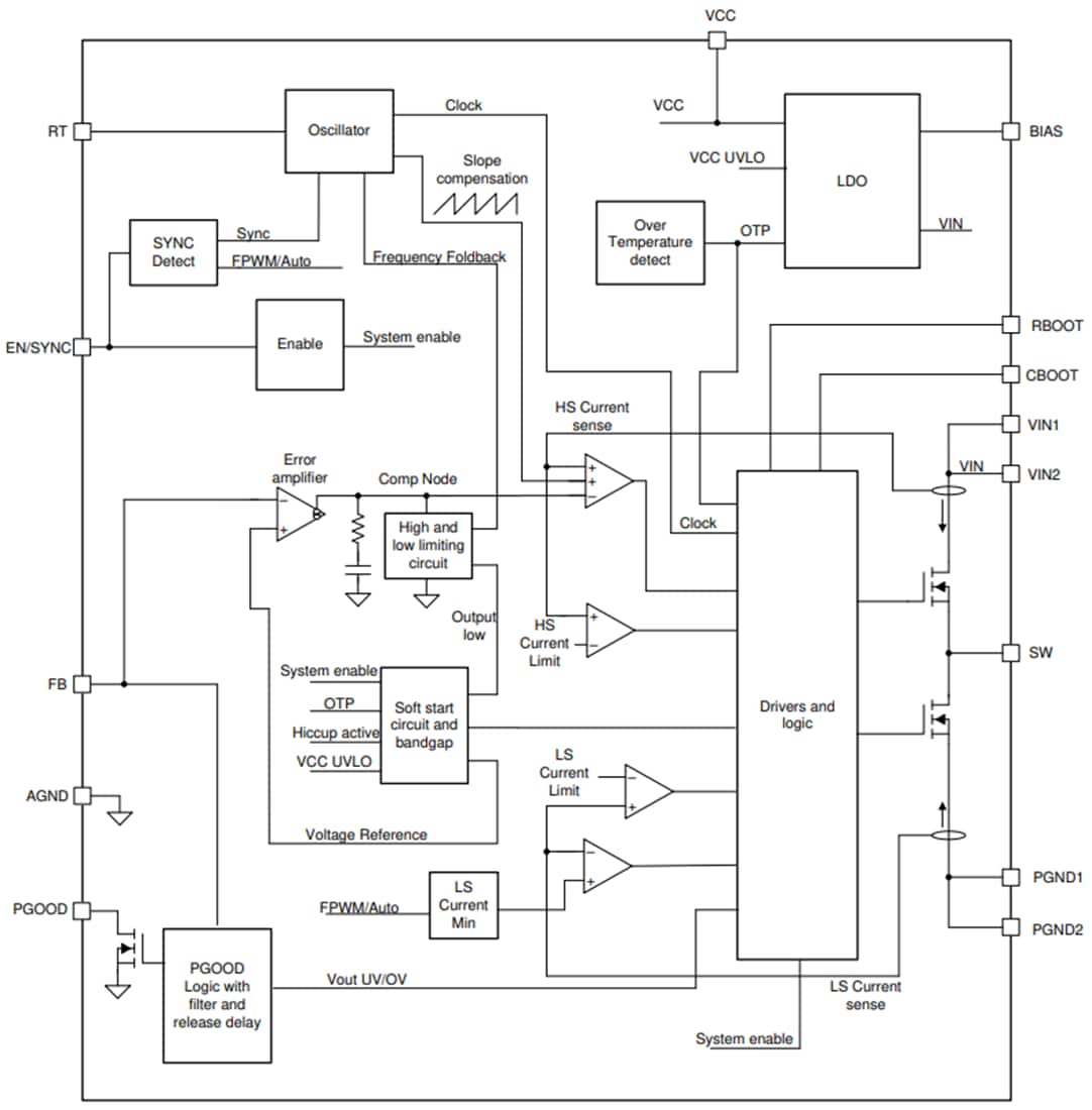
Funktionales Blockdiagramm
Veröffentlichungsdatum: 2020-06-04
| Aktualisiert: 2024-06-24
