Texas Instruments Automotive-Abwärtswandler LM644A2-Q1

Der Automotive-Abwärtswandler LM644A2-Q1 von Texas Instruments ist ein synchroner DC/DC-Wandler mit 36 V und mehrphasiger Stapelfähigkeit in einem thermisch verbesserten Gehäuse für beidseitige Kühlung. Dieser Wandler verwendet eine verschachtelte, stapelbare Strommodus-Steuerungsarchitektur für eine einfache Regelkreiskompensation, ein schnelles Einschwingverhalten und eine hervorragende Last- und Leitungsregelung. Die genaue Stromteilung mit einem Ausgangstakt unterstützt sechs Phasen für Ströme bis zu 36 A. Der Wandler LM644A2-Q1 verfügt über einen Eingangsspannungsbereich von 3 V bis 36 V sowie einen Schaltfrequenzbereich von 100 kHz bi 2,2 MHz und erfüllt die EMI-Anforderungen gemäß CISPR 25 Klasse 5. Der Wandler hat einen Abschaltmodusstrom von 0,5µA (typisch) und einen Standby-Strom von 9µA (typisch) mit integrierter Kompensation und 3-ms-Soft-Start. Die LM644A2-Q1 Bauteile sind AEC-Q100-qualifiziert für Fahrzeuganwendungen. Typische Applikationen sind Cockpits und Displays in Fahrzeugen, ADAS und zentrale Rechner, Karosserieelektronik und -beleuchtung sowie Allzweck-Dual-Abwärtswandler.

Der Wandler LM644A2-Q1 bietet Rauschunterdrückung bei der Grundschaltfrequenz durch Interleaving, eine per Pin aktivierbare DRSS-Funktion und eine symmetrische Pinbelegung für VIN zur Reduzierung der Eingangsinduktivität. Dieser Wandler verfügt über einen internen festen oder einstellbaren Soft-Start, unabhängige Freigabeeingänge, einen integrierten VCC-Vorspannungsregler, einen Hiccup-Modus-Überlastschutz und einen Übertemperaturschutz. Dieser Wandler LM644A2-Q1 ist in einem verbesserten HotRod-QFN-24-Pin-Gehäuse von 5 mm x 4 mm mit einem vergrößerten Eckanschluss für verbesserte BLR und benetzbaren Flanken erhältlich.

Merkmale

  • AEC-Q100-qualifiziert für Fahrzeuganwendungen:
    • -40 °C bis +125 °C Umgebungsbetriebstemperatur (Gerätetemperaturklasse 1)
    • Betrieb bis zu 150 °C Sperrschichttemperatur
    • Thermisch verbessertes Gehäuse mit freiliegenden Wärmeleitpads an der Ober- und Unterseite, die eine beidseitige Kühlung ermöglichen
  • Für eine niedrige EMI ausgelegt
    • Symmetrische Eingangsspannungspins mit >1 mm Erdungsabstand
    • Über Pin wählbare Frequenzspreizungsoption
    • Pin-wählbarer FPWM- oder automatischen Modus-Betrieb
    • Verbessertes HotRod™ QFN (25)-Gehäuse mit benetzbaren Flanken
    • Schaltfrequenzbereich: 100 kHz bis 2,2 MHz
    • Erfüllt die EMI-Anforderungen gemäß CISPR 25 Klasse 5
  • Einzel- und Doppelausgangsfunktionen
    • Großer Eingangsspannungsbereich von 3 V bis 36 V
    • Feste 3,3 V, 5 V oder einstellbare Ausgänge von 0,8 V bis 20 V mit einer Genauigkeit von 1 %
    • Hiccup-Mode-Überstromschutz und Übertemperaturschutz mit Hysterese
    • Präzisionsfunktionen ENABLE und PGOOD
    • 50 ns tON(min) für ein hohes VIN/VOUT-Verhältnis
    • 80 ns tOFF(min) für Low-Dropout
  • Funktionale Sicherheit:
    • Dokumentation zur Unterstützung des Designs von funktionalen Sicherheitssystemen ist verfügbar
  • Vielseitiger Betrieb mit Dual-Ausgang:
    • Strom im Abschaltmodus: 0,5 µA (typisch)
    • Standby-Strom bei Nulllast: 9 µA (typisch)
    • Integrierte Kompensation und 3-ms-Soft-Start
    • Unabhängige Präzision ENABLE und PGOOD
  • Anpassbarer Betrieb mit Einfachausgang:
    • 95 % Wirkungsgrad für eine 8 A Last, Einzel-Ausgang, VIN = 12 V, VOUT = 5 V
    • Externe Kompensation und einstellbarer Soft-Start
    • PGOOD-, SYNCIN- und SYNCOUT-Funktionen

Applikationen

  • Automotive-Cockpits und -Displays
  • Automotive-ADAS und zentrale Datenverarbeitung
  • Karosserieelektronik und -beleuchtung
  • Duale Abwärtswandler für allgemeine Zwecke

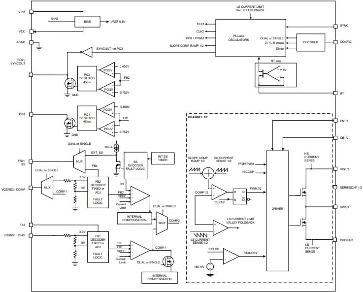
Funktionales Blockdiagramm

Blockdiagramm - Texas Instruments Automotive-Abwärtswandler LM644A2-Q1
Veröffentlichungsdatum: 2025-01-23 | Aktualisiert: 2025-05-06