Texas Instruments LM656x5/LM656x5-Q1 Synchrone Abwärtswandler
Die synchronen Abwärtswandler LM656x5/LM656x5-Q1 von Texas Instruments sind auf einen hohen Wirkungsgrad, eine hohe Leistungsdichte und auf eine extrem geringe Elektromoagnetische Störung (EMI) ausgelegt. Die Wandler arbeiten in einem breiten Eingangsspannungsbereich von 3 V bis 65 V (70 V transient <100 ms),="" wodurch="" der="" bedarf="" an="" einem="" externen="" überspannungsschutz="" am="" eingang="" reduziert="" wird.="" der="" lm656x5/lm656x5-q1="" verfügt="" über="" per="" pin="" wählbare="" feste="" ausgangsspannungen="" von="" 3,3="" v="" und="" 5="" v="" oder="" in="" einer="" einstellbaren="" konfiguration.="" der="" betrieb="" mit="" geringer="" emi="" wird="" durch="" minimierte="" schleifeninduktivität="" und="" optimierte="" schaltknoten-anstiegsgeschwindigkeit="" ermöglicht.="" ein="" über="" pin="" wählbares="" ±5="" %="" oder="" ±10="" %="" dual-random-spread-spectrum="" (drss)="" reduziert="" die="" emissionsspitzen="" durch="" modulation="" mit="" dreieck-="" und="" pseudozufallswellenform="" erheblich="" und="" hält="" gleichzeitig="" die="" ausgangsspannungswelligkeit="" sehr="" niedrig.="" die="" strommodus-steuerarchitektur="" mit="" einer="" typischen="" minimalen="" einschaltdauer="" von="" 30="" ns="" ermöglicht="" hohe="" umwandlungsverhältnisse="" bei="" hohen="" frequenzen,="" gepaart="" mit="" einem="" schnellen="" übergangsverhalten="" und="" einer="" ausgezeichneten="" last-="" und="" netzregelung.="" die="" bauteile="" lm656x5-q1="" von="" texas="" instruments="" sind="" gemäß="" aec-q100="" für="" fahrzeuganwendungen="" qualifiziert.="">100>Merkmale
- Breiter Eingangsspannungsbereich von 3 V bis 65 V (70 V transient <100 ms),="" erfüllt="" die="" lv148/iso21780="">100>
- Entwickelt für niedrige EMI-Anforderungen
- Ermöglicht die Einhaltung der CISPR 11 Klasse B
- Über den Modus-Pin konfigurierbares ±5 % oder ±10 % Dual-Random-Spread-Spectrum zur Reduzierung der Emissionsspitzen
- Verbessertes HotRod™ QFN-Gehäuse mit symmetrischer Pinbelegung
- Schaltfrequenz von 300 kHz bis 2,2 MHz
- Pin-konfigurierbarer AUTO oder FPWM-Betrieb
- Interne Kompensation, Strombegrenzung und TSD
- Die niedrigste Mindesteinschaltzeit von 40 ns (max.) ermöglicht die Umwandlung von 36 VIN in 3,3 VOUT bei 2,2 MHz
- Leistungsumwandlung mit hohem Wirkungsgrad bei allen Lasten
- > 94 % Wirkungsgrad bei 24 VIN, 5 VOUT, 400 kHz
- 2,5 µA Eingangsstrom bei Null-Lasst
- Hohe Leistungsdichte
- 3,6 mm × 2,6 mm, benetzbare Flanke, 20-poliges Gehäuse
- Pin kompatibel mit 36 V 4/6/8A LM654x0-Q1
- ϴJA = 24,0 °C/W (LM65645EVM)
Applikationen
- Industrie-Transportsysteme
- Fabrikautomatisierung und Steuerungssysteme
- Bildgebende Systeme im medizinischen Bereich
- Erweiterte Fahrerassistenzsysteme (FAS) (LM656x5-Q1)
- Automotive-Infotainment und Kombiinstrumente (LM656x5-Q1)
- Hybrid-, Elektro- und Antriebssysteme (LM656x5-Q1)
Datenblätter
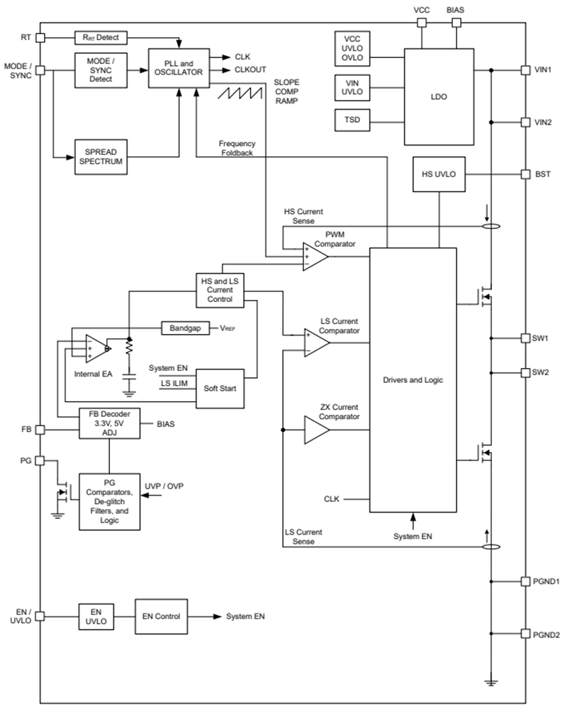
Funktionales Blockdiagramm
Veröffentlichungsdatum: 2025-08-27
| Aktualisiert: 2025-09-09
