Texas Instruments LM704A0-Q1 Abwärtswandler
Texas Instruments LM704A0-Q1 Abwärtswandler wurden für einen Eingangsspannungsbereich von 4,5 V bis 45 V entwickelt und liefern bei festen Ausgangsspannungen von 3,3 V, 5 V, 12 V oder einem einstellbaren Ausgang einen Ausgangsstrom von bis zu 10 A. Der synchrone Abwärtswandler LM704A0-Q1 mit niedrigem IQ und großer VIN verwendet eine Spitzenstromregelungsarchitektur für eine einfache Schleifenkompensation, ein schnelles Einschwingverhalten und eine außergewöhnliche Last- und Leitungsregelung. Ein Paar von LM704A0-Q1 Wandlern kann in einem verschachtelten Modus (parallelgeschaltete Ausgänge) mit präziser Stromaufteilung für Applikationen konfiguriert werden, die einen Ausgangsstrom von bis zu 20 A benötigen.Der TI LM704A0-Q1 bietet eine einzigartige DRSS-Funktion (Dual Random Spread Spectrum, DRSS), die niederfrequente Dreiecks- und hochfrequente zyklusweise Zufallsmodulationen für eine verbesserte EMI-Leistung in einer großen Auswahl von Frequenzbändern beinhaltet.
Die LM704A0-Q1 Bauteile sind für Fahrzeuganwendungen AEC-Q100-qualifiziert.
Merkmale
- Für Fahrzeuganwendungen mit einem Gerätetemperaturgrad 1 von einer Umgebungstemperatur von -40 °C bis +125 °C AEC-Q100-qualifiziert.
- Dokumentation über die Funktionssicherheitsfähigkeit zur Unterstützung des Designs funktionaler Sicherheitssysteme
- Synchroner DC/DC-Wandler mit einem vielseitigen Abwärtsregler und robusten Leistungs-MOSFETs
- Großer Eingangsspannungsbereich: 4,5 V bis 45 V
- Strom im Abschaltmodus: 2,3 µA
- Nulllast-IQ -Regelung: 12 V bis 5 V mit 15,5 µA
- Feste einstellbare Ausgänge von 3,3 V, 5 V, 12 V mit einer Genauigkeit von 1 % oder einstellbare Ausgänge von 0,8 V bis 36 V
- Zweiphasiger Betrieb ermöglicht Ausgangsströme von bis zu 16 A
- Für niedrige EMI-Anforderungen ausgelegt
- Erleichtert die Einhaltung von CISPR 25 Klasse 5
- Pin-auswählbarer Dual-Random-Frequenzspreizung von ±8 % reduziert Emissionsspitzen
- Schaltfrequenz: 200 kHz bis 2,2 MHz
- Pin-konfigurierbarer AUTO- oder FPWM-Betrieb
- Inhärente Schutzfunktionen für ein robustes Design
- Interner Überstromschutz im Hiccup-Modus
- Freigabe, Power Good und thermische Abschaltung
- Interne oder externe Schleifenkompensation
- Thermisch optimiertes, RoHS-konformes, QFN-29-Gehäuse von 6 mm x 6 mm mit bleifreier Beschichtung
- Erstellen benutzerdefinierter Designs mit LM704A0-Q1 und WEBENCH® Power Designer
Applikationen
- Elektronische Fahrzeugsysteme
- Erweiterte Fahrerassistenzsysteme (ADAS)
- Infotainment- und Kombi-Systeme
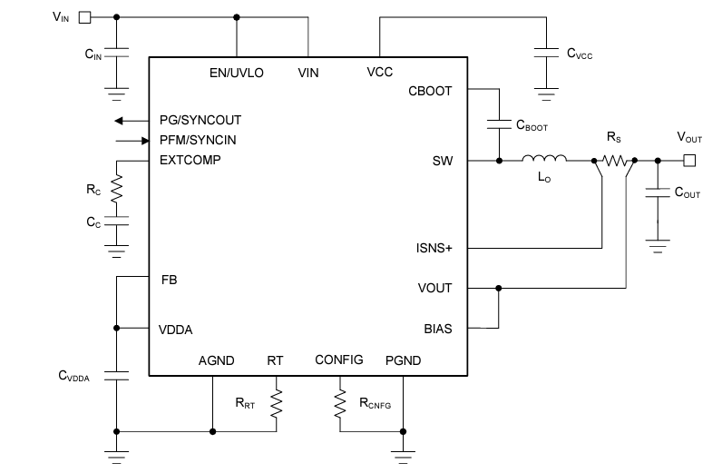
Typische Applikationsschaltung
Weitere Ressourcen
Veröffentlichungsdatum: 2024-10-29
| Aktualisiert: 2025-05-09
