Texas Instruments LM706x0/LM706x0-Q1 Abwärtswandler
Texas Instruments LM706x0/LM706x0-Q1 Abwärtswandler bieten einen Eingangsspannungsbereich von 4,5 V bis 65 V und einen Ausgangsstrom von bis zu 10 A bei festen Ausgangsspannungen von 3,3 V, 5 V, 12 V oder einem einstellbaren Ausgang. Die synchronen Abwärtswandler LM706x0/LM706x0-Q1 mit niedrigemIQ und großem VIN nutzen eine Spitzenstrommodus-Regelungsarchitektur für eine einfache Schleifenkompensation, ein schnelles Einschwingverhalten und eine hervorragende Last- und Netzregelung. Ein Paar von LM706A0-Q1 Wandlern kann in einem verschachtelten Modus (parallelgeschaltete Ausgänge) mit präziser Stromaufteilung für Applikationen eingerichtet werden, die einen Ausgangsstrom von bis zu 20 A benötigen. Das LM706A0-Q1 bietet eine einzigartige DRSS-Funktion (Dual Random Spread Spectrum, DRSS), die niederfrequente Dreiecks- und hochfrequente zyklusweise Zufallsmodulationen für eine verbesserte EMI-Leistung in einer großen Auswahl von Frequenzbändern beinhaltet.Der Wandler LM706x0-Q1 von TI ist in einem thermisch optimierten 29-poligen QFN-Gehäuse untergebracht (6 mm × 6 mm). Die drei Die-Attach-Pads (VIN, SW und PGND) verbessern die thermische Leistung und die Zuverlässigkeit auf Board-Ebene (BLR). Die LM706x0-Q1 Bauteile sind für Fahrzeuganwendungen AEC-Q100-qualifiziert.
Merkmale
- Für Fahrzeuganwendungen mit einem Gerätetemperaturgrad 1 von einer Umgebungstemperatur von -40 °C bis +125 °C AEC-Q100-qualifiziert.
- Dokumentation über die Funktionssicherheitsfähigkeit zur Unterstützung des Designs funktionaler Sicherheitssysteme
- Synchroner DC/DC-Wandler mit einem vielseitigen Abwärtsregler und robusten Leistungs-MOSFETs
- Großer Eingangsspannungsbereich: 4,5 V bis 65 V
- Strom im Abschaltmodus: 2,3 µA
- Nulllast-IQ von 10,4 µA regelt 24 V bis 5 V
- Feste einstellbare Ausgänge von 3,3 V, 5 V, 12 V mit einer Genauigkeit von 1 % oder einstellbare Ausgänge von 0,8 V bis 36 V
- Zweiphasiger Betrieb ermöglicht Ausgangsströme von bis zu 16 A
- Für niedrige EMI-Anforderungen ausgelegt
- Erleichtert die Einhaltung von CISPR 25 Klasse 5
- Pin-auswählbarer Dual-Random-Frequenzspreizung von ±8 % reduziert Emissionsspitzen
- Schaltfrequenz: 200 kHz bis 2,2 MHz
- Pin-konfigurierbarer AUTO- oder FPWM-Betrieb
- Inhärente Schutzfunktionen für ein robustes Design
- Interner Überstromschutz im Hiccup-Modus
- Freigabe, Power Good und thermische Abschaltung
- Interne oder externe Schleifenkompensation
- Thermisch optimiertes, RoHS-konformes, QFN-29-Gehäuse von 6 mm x 6 mm mit bleifreier Beschichtung
- Erstellen eines benutzerdefinierten Designs mit dem LM706A0-Q1 mit dem WEBENCH® Power Designer
Applikationen
- Elektronische Fahrzeugsysteme
- Erweiterte Fahrerassistenzsysteme (FAS)
- Infotainment- und Kombi-Systeme
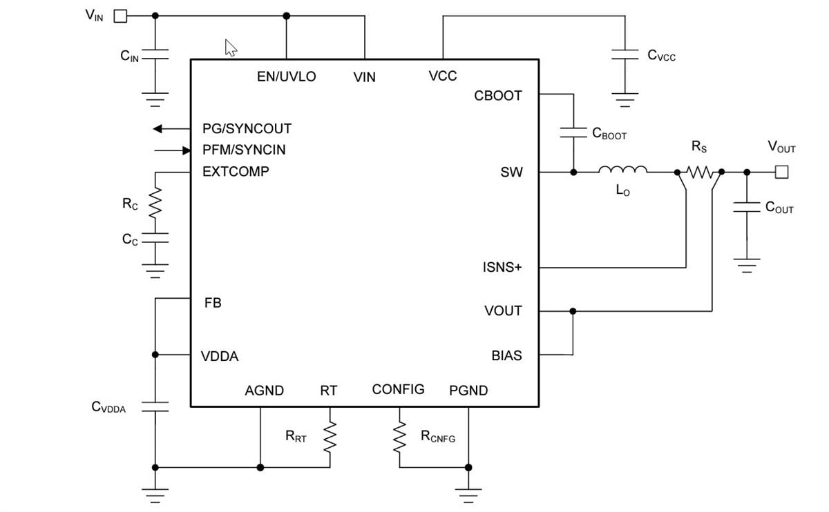
Typische Applikations-Schaltung
Veröffentlichungsdatum: 2024-10-30
| Aktualisiert: 2025-05-09
