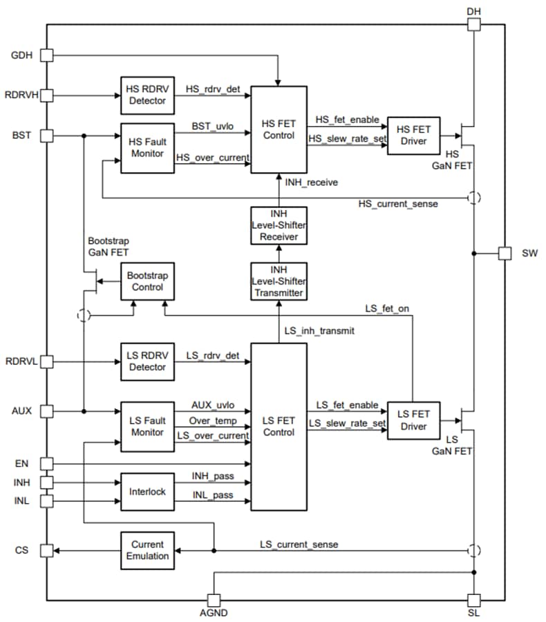
Texas Instruments LMG2656 650 V GaN Power-FET Halbbrücke
Der LMG2656 650-V-GaN-Leistungs-FET-Halbbrücken-IC von Texas Instruments bietet ein unkompliziertes Design, weniger Bauteile und einen geringeren Platzbedarf auf dem Board, da er Halbbrücken-Leistungs-FETs, Gate-Treiber, Bootstrap-FETs und High-Side-Gate-Treiber-Pegelwandler in einem 6 mm x 8 mm großen QFN-Gehäuse vereint. Programmierbare Einschalt-Anstiegsraten sorgen für EMI- und Ringing-Kontrolle. Programmierbare Einschalt-Slew-Raten sorgen für EMI- und Ringing-Kontrolle. Die Low-Side-Stromsensor-Emulation reduziert die Verlustleistung im Vergleich zum herkömmlichen Stromsensor-Widerstand und ermöglicht den Anschluss des Low-Side- Thermopads an die PCB- Leistungsmasse.Der High-Side-GaN-Leistungs-FET kann entweder mit dem Low-Side-Referenz-Gate-Drive-Pin (INH) oder dem High-Side-Referenz-Gate-Treiber-Pin (GDH) gesteuert werden. Der High-Side-Gate-Treiber-Signal-Pegelwandler überträgt in anspruchsvollen Leistungsschaltumgebungen das INH-Pin-Signal zuverlässig an den High-Side-Gate-Treiber. Der intelligent geschaltete GaN-Bootstrap-FET hat keinen Dioden- Durchlassspannungsabfall, vermeidet eine Überladung der High-Side-Versorgung und verfügt über keinerlei Sperrverzögerungsladung.
Der LMG2656 von Texas Instruments unterstützt die Anforderungen an die Wirkungsgradeffizienz von Wandlern bei geringer Last und den Burst-Mode-Betrieb mit niedrigen Ruheströmen und kurzen Startzeiten. Zu den Schutzfunktionen gehören die FET-Einschaltverriegelung, die Unterspannungssperre (UVLO), die zyklusweise Strombegrenzung und die Übertemperaturabschaltung. Die Einstellung der extrem niedrigen Anstiegsrate unterstützt Applikationen.
Merkmale
- 650 V GaN-Leistungs-FET- Halbbrücke
- 230 mΩ Low- und High-Side-GaN-FETs
- Integrierte Gate-Treiber mit <100 ns="" niedrigen="">100>
- Programmierbare Einschalt-Anstiegsratensteuerung
- Strommessemulation mit hoher Bandbreite und hoher Genauigkeit
- Low-Side-referenzierte (INH) und High-Side-referenzierte (GDH) High-Side-Gate-Treiber-Pins
- Low-Side-(INL)/High-Side-(INH)-Gate-Treiber-Verriegelung
- High-Side(INH)-Gate-Treiber-Signalpegelwandler
- Intelligent geschaltete Bootstrap-Diodenfunktion
- High-Side-Anlaufen von < 8="" °="">
- Low-Side/High-Side Zyklus-für-Zyklus-Überstromschutz
- Übertemperaturschutz
- AUX-Leerlauf-Ruhestrom von 250 µA
- AUX-Standby-Ruhestrom von 50 µA
- BST-Leerlauf-Ruhestrom von 70 µA
- 8 mm × 6 mm-QFN-Gehäuse mit Dual-Wärme-Pads
Applikationen
- AC/DC-Adapter und Ladegeräte
- AC/DC-Hilfsstromversorgungen
- Design für mobiles Wandladegerät
- USB-Wandsteckdose
Funktionales Blockdiagramm
