Texas Instruments LMG342xR050 600-V-50-mΩ-GaN-FETs
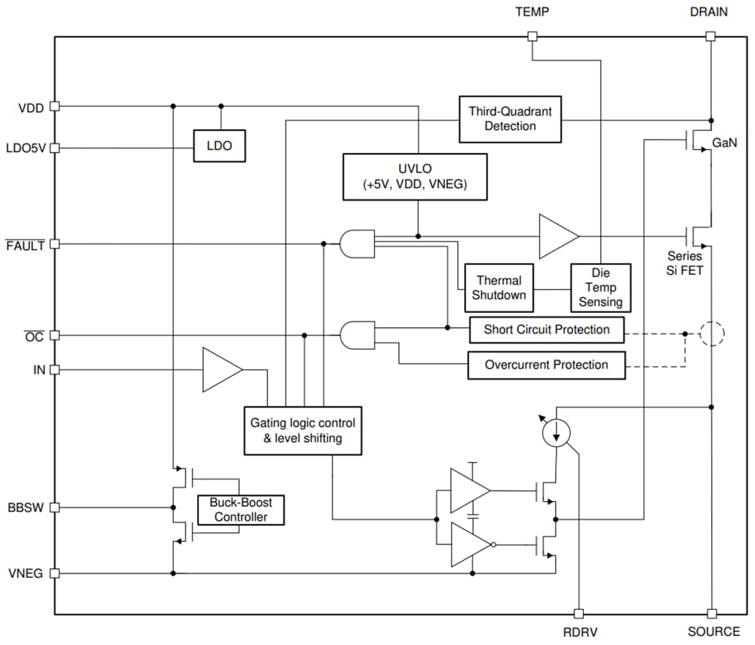
Die 600-V-GaN-FETs mit 50 mΩ LMG342xR050 von Texas Instruments mit integriertem Treiber und Schutz ermöglichen es Entwicklern, neue Niveaus an Leistungsdichte und Wirkungsgrad in Leistungselektroniksystemen zu erreichen. Der LMG342xR050 integriert einen Siliziumtreiber, der Schaltgeschwindigkeiten von bis zu 150 V/ns ermöglicht. Die integrierte Präzisions-Gate-Vorspannung von TI führt im Vergleich zu diskreten Silizium-Gate-Treibern zu einem höheren Schalt-SOA. In Kombination mit dem Gehäuse mit niedriger Induktivität von TI bietet diese Integration ein sauberes Schalten und ein minimales Überschwingen in hartschaltenden Stromversorgungstopologien. Die einstellbare Gate-Antriebsstärke ermöglicht die Steuerung der Anstiegsrate von 20 V/ns bis 150 V/ns, was zur aktiven Kontrolle der EMI und zur Optimierung der Schaltleistung genutzt werden kann.Der LMG3425R050 von Texas Instruments verfügt über einen idealen Diodenmodus, der die Verluste im dritten Quadranten durch Aktivierung einer adaptiven Totzeitsteuerung reduziert. Zu den erweiterten Leistungsmanagementfunktionen gehören die digitale Temperaturmeldung und Fehlererkennung. Die Temperatur des GaN-FETs wird über einen PWM-Ausgang mit variablem Tastverhältnis gemeldet, der das Laden des Bauteils vereinfacht. Gemeldete Fehler umfassen Übertemperatur, Überstrom und UVLO.
Merkmale
- Qualifiziert für JEDEC JEP180 für hartschaltende Topologien
- 600-V-GaN-on-Si-FET mit integriertem Gate-Treiber
- Eine integrierte Gate-Vorspannung mit hoher Genauigkeit
- CMTI: 200 V/ns
- Schaltfrequenz von 3,6 MHz
- Anstiegsrate von 20 V/ns bis 150 V/ns zur Optimierung der Schaltleistung und Reduzierung von EMI
- Wird von einer Versorgung von 7,5 V bis 18 V betrieben
- Fortschrittliches Leistungsmanagement
- Digitaler Temperatur-PWM-Ausgang
- Der Ideal-Dioden-Modus reduziert die Verluste von Dritt-Quadranten im LMG3425R050
- Robuster Schutz
- Zyklusweiser Überstrom- und selbsthaltender Kurzschlussschutz mit < 100="" ns="">
- Hält bei einer Hartschaltung einem Stoßstrom von 720 V stand
- Selbstschutz für interne Übertemperatur und UVLO-Überwachung
Applikationen
- Industrienetzteile mit hoher Dichte
- Solarwechselrichter und Industriemotorantriebe
- Unterbrechungsfreie Stromversorgungen
- Merchant-Netzwerk und Server-PSU
- Merchant-Telekommunikationsgleichrichter
Funktionales Blockdiagramm
Veröffentlichungsdatum: 2022-06-06
| Aktualisiert: 2024-06-28
