Texas Instruments LMR140x0 SIMPLE SWITCHER® Abwärtsregler
Die Texas Instruments LMR140x0 SIMPLE SWITCHER® Abwärtsspannungsregler sind 40V Abwärtsspannungsregler mit 2A (LMR14020), 3,5A (LMR14030) oder 5,0A (LMR14050) und integriertem High-Side-MOSFET. Sie weisen einen breiten Eingangsbereich von 4V bis 40V auf und eignen sich für eine Vielzahl von industriellen bis Automobilanwendungen für die Leistungsregelung von einer ungeregelten Quelle. Der Ruhestrom des Reglers liegt bei 40µA im Schlafmodus und ist für batteriebetriebene Systeme geeignet. Ein besonders niedriger 1µA Strom im Abschaltmodus verlängert die Batterielebensdauer noch weiter. Ein großer einstellbarer Schaltfrequenzbereich ermöglicht die Optimierung des Wirkungsgrads bzw. der Größe der externen Komponente. Die interne Schleifenkompensation bedeutet für den Nutzer, dass er keine mühsame Kalkulation des Schleifenkompensationsdesigns durchführen muss. Dadurch werden auch die externen Komponenten für das Gerät verringert.Merkmale
- 4V to 40V input range
- Available with 2A (LMR14020), 3.5A (LMR14030) or 5.0A (LMR14050) continuous output current
- Ultra-low 40µA operating Quiescent current
- 90mΩ high-side MOSFET
- Minimum switch-on time: 75ns
- Current mode control
- Adjustable switching frequency from 200kHz to 2.5MHz
- Frequency synchronization to external clock
- Internal compensation for ease of use
- High duty cycle operation supported
- Precision enable input
- 1µA shutdown current
- External soft-start
- Thermal, overvoltage, and short protection
- 8-Pin HSOIC with PowerPAD™ package
Applikationen
- Automotive battery regulation
- Industrial power supplies
- Telecom and datacom systems
- Battery powered system
Videos
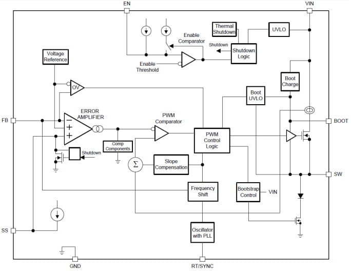
Functional Block Diagram
Additional Resources
Veröffentlichungsdatum: 2015-03-23
| Aktualisiert: 2022-03-11
