Texas Instruments LMR23610/-Q1 SIMPLE SWITCHER® Abwärtswandler

Der LMR23610/LMR23610-Q1 SIMPLE SWITCHER® Abwärtswandler von Texas Instruments ist ein einfach zu verwendender synchroner Abwärtsregler mit 36 V und 1 A. Mit einem Weitbereichseingang von 4,5 V bis 36 V, ist er für eine Vielzahl von industriellen Applikationen bis hin zu Anwendungen in der Automobilindustrie für die Leistungsregelung von ungeregelten Quellen geeignet. Eine Spitzenstromregelung wird eingesetzt, um eine einfache Kompensation der Regelschleife und Zyklus-für-Zyklus-Strombegrenzung zu erreichen. Mit einem Ruhestrom von 75µA eignet sich dieses Gerät hervorragend für batteriebetriebene Systeme. Ein sehr niedriger Abschaltstrom von 2µA kann die Lebensdauer der Batterie noch weiter verlängern. Die interne Schleifenkompensation bedeutet für den Nutzer, dass er keine mühsame Kalkulation des Schleifenkompensationsdesigns durchführen muss. Dadurch wird auch die Anzahl externer Komponenten verringert. Die Geräte LMR23610-Q1 sind AEC-Q100-qualifiziert für Applikationen in der Automobilindustrie.

Merkmale

  • 4.5V to 36V input range
  • 1A continuous output current
  • Integrated synchronous rectification
  • Current mode control
  • 60ns minimum switch-on time 
  • 400kHz switching frequency with PFM mode
  • Internal compensation for ease of use
  • 75µA quiescent current at no load
  • Frequency synchronization to an external clock
  • Soft-start into a pre-biased load
  • High duty cycle operation supported
  • Precision enable input
  • Output short-circuit protection with hiccup mode
  • Thermal protection

Applikationen

  • Automotive battery regulation
  • Industrial power supplies
  • Telecom and datacom systems
  • General-purpose wide VIN regulation

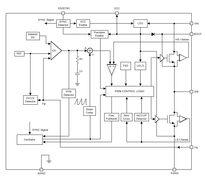
Functional Diagram

Blockdiagramm - Texas Instruments LMR23610/-Q1 SIMPLE SWITCHER® Abwärtswandler
Veröffentlichungsdatum: 2016-08-01 | Aktualisiert: 2022-03-11