Texas Instruments LMR3650x Synchroner Abwärtswandler
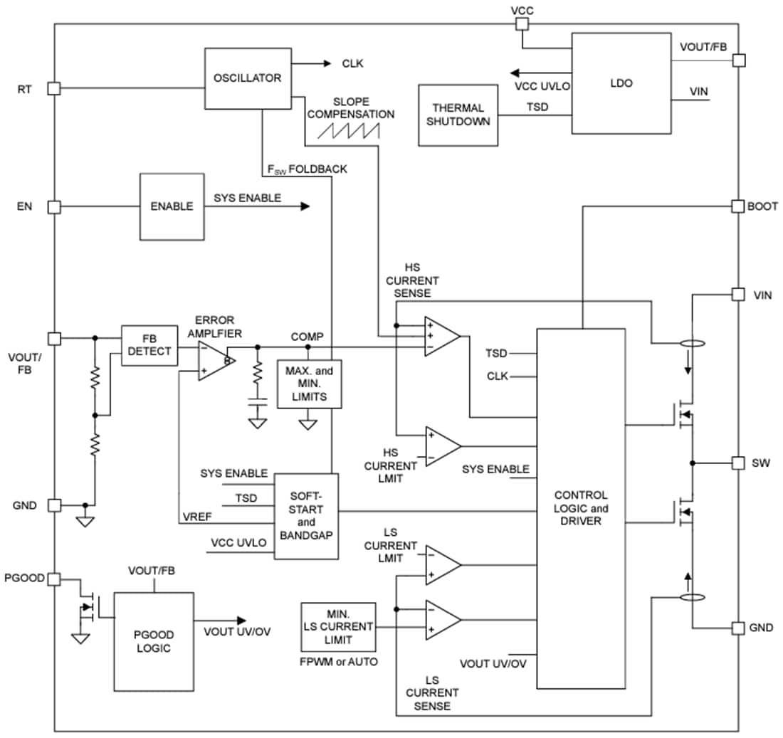
Der synchrone Abwärtswandler LMR3650x von Texas Instruments ist ein synchroner DC/DC-Abwärtswandler mit 65 V, 150 mA (verfügbar in der Variante 100 mA) in einem kompakten 4 mm2 HotRod™-Gehäuse. Dieser benutzerfreundliche Wandler bietet eine hervorragende EMI-Leistung, kann Eingangsspannungstransienten bis zu 70 Vverarbeiten, bietet eine hervorragende EMI-Leistung und unterstützt feste, 3,3 V, 5 V und andere einstellbare Ausgangsspannungen.Der LMR3650x von Texas Instruments verwendet die Spitzenstrommodus-Steuerarchitektur mit interner Kompensation, um einen stabilen Betrieb mit minimaler Ausgangskapazität zu gewährleisten. Der LMR3650x kann mit der richtigen Widerstandsauswahl vom RT-Pin zur Masse extern für jede gewünschte Schaltfrequenz über einen großen Bereich von 200 kHz bis 2,2 MHz programmiert werden. Die Präzisions-EN/UVLO-Funktion ermöglicht die präzise Steuerung des Bauteils während der Abschaltung und Inbetriebnahme. Die PGOOD-Flag mit eingebautem Störungsfilter und verzögerter Freigabe bietet die richtige Anzeige des Systemstatus, wodurch die Notwendigkeit einer externen Spannungsüberwachung entfällt. Die umfangreichen Funktionen und die kompakte Lösungsgröße des LMR3650x vereinfachen die Implementierung für verschiedene Industrieapplikationen.
Merkmale
- Für robuste Industrieapplikationen ausgelegt
- Sperrschichttemperaturbereich: -40 °C bis +150 °C
- Eingangsüberspannungsschutz von bis zu 70 V
- Großer Eingangsspannungsbereich: 3,0 V (fallender Schwellenwert) bis 65 V
- Reduziertes Schaltknoten-Überschwingen zur Reduzierung von EMI
- Einstellbare und feste Ausgangsspannungsoptionen von 3,3 V und 5 V verfügbar
- Geeignet für skalierbare Industrie-Netzteile
- Pin-kompatibel mit LMR36503 (65 V, 300 mA) und LMR36506 (65 V, 600 mA)
- Einstellbare Schaltfrequenz von 200 kHz bis 2,2 MHz mit einer RT-Pin-Ausführung
- Minimierte Lösungsgröße und Kosten
- Höchste Leistungsdichte mit interner Kompensation und reduzierter Anzahl externer Bauelemente
- Extrem kleines HotRod™-Gehäuse von 2 mm x 2 mm
- Hoher Wirkungsgrad über den gesamten Lastbereich bei geringer Verlustleistung
- Maximaler Wirkungsgrad größer als 80 % bei 1 MHz (3,3 V VOUT)
Applikationen
- Fabrikautomatisierung
- Feldtransmitter
- Prozesssensoren
- Haushaltsgeräte
- Gartengeräte
- Elektrowerkzeuge
- Gebäudeautomatisierung
- Heizung, Lüftung, Klimatechnik (HLK)
- Brandschutzbenachrichtigung
- Brandmelder
Funktionales Blockdiagramm
