Texas Instruments LMR664x0/LMR664x0-Q1 Abwärtswandler
Die LMR664x0/LMR664x0-Q1-Abwärtswandler von Texas Instruments sind in 2-A- und 1-A-Ausführungen in einem verbesserten HotRod-QFN-Gehäuse verfügbar. Der kleine LMR664x0/-Q1 bietet Benutzerfreundlichkeit mit einem großen Eingangsspannungsbereich von 2,7 V bis 36 V (nach Inbetriebnahme oder Betrieb) mit Transienten bis zu 42 V.Die LMR664x0/LMR664x0-Q1-Wandler von TI sind speziell für die Anforderungen an eine niedrige Standby-Leistung bei ständig eingeschalteten Fahrzeuganwendungen ausgelegt. Der Automatikmodus ermöglicht eine Frequenzreduzierung bei Betrieb mit geringer Last, wodurch ein typischer Stromverbrauch von 1,5 µA bei 13,5 VIN und eine hohe Effizienz bei geringer Last erreicht werden. Ein nahtloser Übergang zwischen PWM- und PFM-Modus und sehr niedrige MOSFET-Einschaltwiderstände sorgen für einen hervorragenden Wirkungsgrad über den gesamten Lastbereich. Die Steuerarchitektur (Spitzenstrommodus) und der Funktionssatz sind für eine extrem kleine Baugröße mit minimaler Ausgangskapazität optimiert. Der LMR664x0/-Q1 von TI minimiert die Größe des Eingangsfilters durch den Einsatz eines Dual-Random-Spread-Spectrum (DRSS), eines EMI-armen HotRod-QFN-Gehäuses und eines optimierten Pinouts. Mit dem MODE/SYNC-Pin kann die Frequenz eingestellt oder synchronisiert werden, um rauschempfindliche Frequenzbänder zu vermeiden. Zwischen den kritischen Hochspannungspins befinden sich NC-Pins, wodurch potenzielle Ausfälle verringert werden (optimale Pin-FMEA). Der umfangreiche Funktionsumfang von LMR664x0/-Q1 vereinfacht die Implementierung für eine große Auswahl von Endgeräten in Fahrzeugen.
Die LMR664x0-Q1-Bauteile sind AEC-Q100-qualifiziert für Fahrzeuganwendungen.
Merkmale
- Fähig für die funktionale Sicherheit
- Dokumentation zur Unterstützung des Designs von funktionalen Sicherheitssystemen ist verfügbar
- AEC-Q100-qualifiziert für Fahrzeuganwendungen:
- Temperaturklasse 1 von -40 °C bis +125 °C, TA
- Optimiert für niedrige EMI-Anforderungen
- Duale zufällige Frequenzspreizung reduziert Spitzenemissionen
- Erweitertes HotMesh™-QFN-Gehäuse reduziert das Schaltknoten-Überschwingen
- Höher als 85 % Wirkungsgrad bei 1 mA
- Für Fahrzeuganwendungen ausgelegt:
- Sperrschichttemperaturbereich: -40 °C bis +150 °C
- NC-Pin zwischen kritischen Pins für bessere Zuverlässigkeit
- Erstklassige Pin-FMEA
- Unterstützt 42-V-Lastabwurf-Transienten für Fahrzeuge
- Unterstützt 3 VIN für Kaltstart bei Fahrzeugen
- Miniaturgröße und niedrige Bauteilkosten:
- Verbessertes HotRod-QFN-Gehäuse von 2,6 mm x 2,6 mm mit benetzbaren Flanken
- Interne Regelkreiskompensation
Applikationen
- Erweiterte Fahrerassistenzsysteme: Radar-ECU
- Infotainment und Kombiinstrument: Haupteinheit, eCall
- Karosserieelektronik und Beleuchtung
Datenblätter
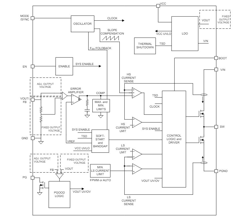
Blockdiagramm
