Texas Instruments LMX1204 JESD-Buffer/Multiplexer/Teiler
Der JESD-Puffer/Multiplexer/Teiler LMX1204 von Texas Instruments ist hochfrequenzfähig und hat einen extrem geringen Jitter. Diese Eigenschaft macht ihn zu einem großartigen Ansatz für Taktpräzision und Hochfrequenz-Datenwandler ohne Verschlechterung des Signal-Rausch-Verhältnisses. Jeder der vier Hochfrequenz-Taktausgänge und der zusätzliche LOGICLK-Ausgang mit einem größeren Teilerbereich ist mit einem SYSREF-Ausgangstaktsignal gepaart. Das SYSREF-Signal für JESD-Schnittstellen kann entweder intern erzeugt oder als Eingangssignal weitergeleitet und auf die Gerätetakte umgetaktet werden. Für die Taktung von Datenwandlern ist es von entscheidender Bedeutung, dass der Taktjitter kleiner ist als der Aperturjitter des Datenwandlers. Für Applikationen, bei denen mehr als vier Datenwandler getaktet werden müssen, können verschiedene Kaskadenarchitekturen entwickelt werden, bei denen mehrere Bauteile verwendet werden, um alle erforderlichen Hochfrequenztakte und SYSREF-Signale zu verteilen. Mit seinem geringen Jitter und Rauschen ist der LMX1204 von Texas Instruments in Verbindung mit einer extrem rauscharmen Referenztaktquelle eine beispielhafte Wahl für die Taktung von Datenwandlern, insbesondere bei Abtastraten über 3 GHz.Merkmale
- Ausgangsfrequenz: 300 MHz bis 12,8 GHz
- Extrem rauscharm
- Grundrauschen von -161 dBc/Hz bei einem Ausgang von 6 GHz
- 1/f-Rauschen von -154dBc/Hz bei 6 GHz Ausgang, 10 kHz Offset
- 5 fs Jitter (12 kHz bis 20 MHz)
- Additiver Jitter <30 fs (DC bis fCLK)
- Vier Hochfrequenzuhren mit entsprechenden SYSREF-Ausgängen
- Gemeinsamer Teiler, der ÷1 (Buffer Modus), ÷2, 3, 4, 5, 6, 7, und 8
- Gemeinsamer PLL-basierter Multiplizierer, der x1 (Filter Modus), x2, x3 und x4 unterstützt
- LOGICLK und entsprechende SYSREF-Ausgänge
- Auf einer separaten geteilten Bank
- Teiler ÷1, 2, 4
- ÷1 (Bypass), 2, ..., 1023 Teiler nachgeschaltet
- Acht programmierbare Ausgangsleistungsstufen
- Synchronisierte SYSREF-Taktausgänge
- 508 Verzögerungsschritte von jeweils weniger als 2,5 ps bei 12,8 GHz
- Generator- und Repeater-Modi
- Windowing-Funktion für SYSREFREQ-Pins zur Optimierung des Timings
- SYNC-Funktion für alle Bauteile und mehrere Geräte
- 2,5 V Betriebsspannung
- Betriebstemperatur: -40 ºC bis 85 ºC
Applikationen
- Prüfung und Messung
- Oszilloskop
- Tester für drahtlose Geräte
- Breitband-Digitalisierer
- Universal
- Taktung des Datenwandlers
- Taktpuffer Vertrieb/Abteilung
- Luft- und Raumfahrt und Verteidigung
- Radar
- Elektronische Kriegsführung
- Sucher-Front-End
- Munition
- Phasen-Array-Antenne/Strahlformung
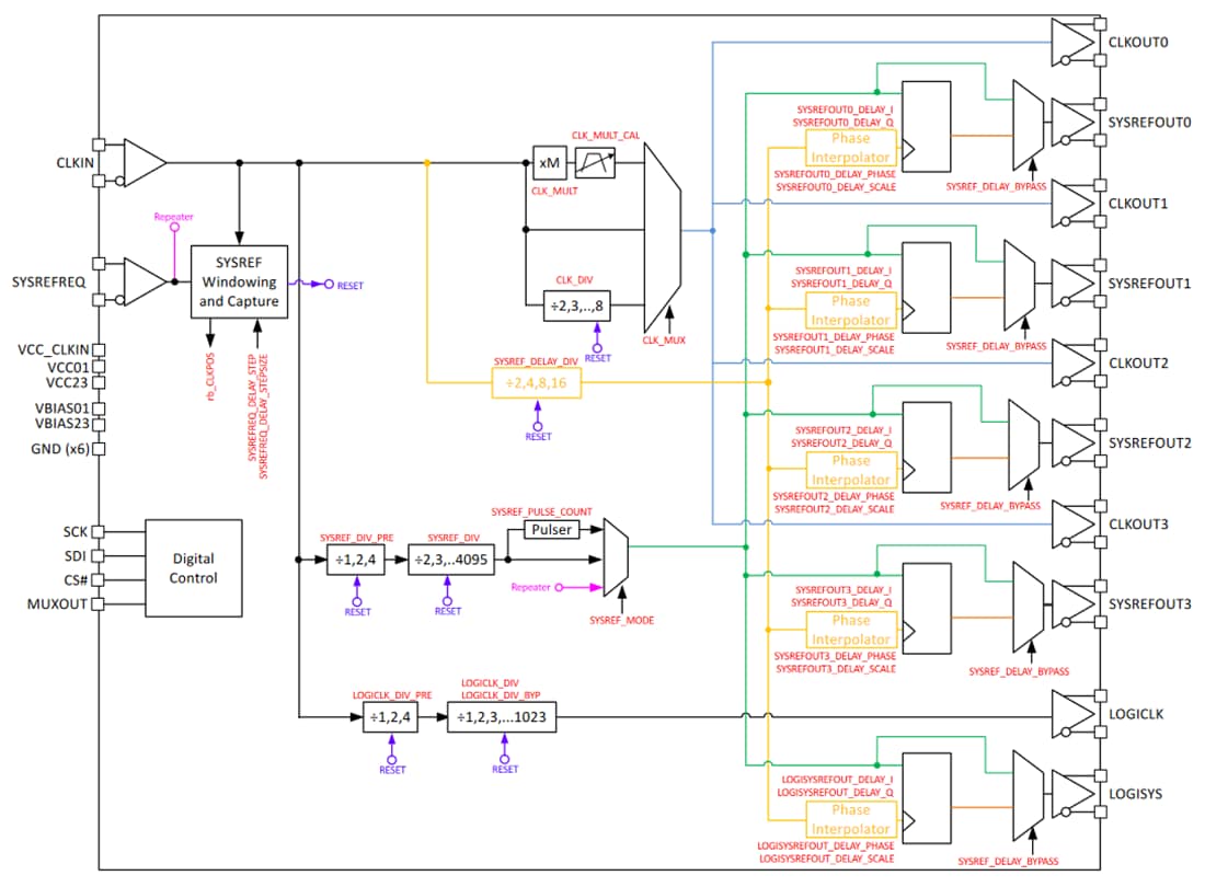
Funktionales Blockdiagramm
Veröffentlichungsdatum: 2024-06-21
| Aktualisiert: 2024-06-25
