Texas Instruments LP8872-Q1 LED-Hintergrundbeleuchtungstreiber

Der LED-Hintergrundbeleuchtungstreiber LP8872-Q1 von Texas Instruments ist ein hocheffizienter, benutzerfreundlicher LED-Treiber mit niedriger EMI und integriertem DC/DC-Netzschalter für Fahrzeuganwendungen. Der DC/DC-Wandler unterstützt sowohl SEPIC- als auch Boost-Topologiekonfigurationen. Die sechs hochpräzisen Stromsenken unterstützen das PWM-Phasenverschieben, das automatisch aufgrund der Anzahl der verwendeten Kanäle angepasst wird. Über dieI2C-Schnittstelle oder den PWM-Eingang lässt sich die LED-Helligkeit allgemein steuern.

Der Aufwärtswandler verfügt über eine adaptive Ausgangsspannungsregelung, die auf den Headroom-Spannungen der LED-Stromsenken basiert. Diese Funktion minimiert den Stromverbrauch, indem sie die Boost-Spannung unter allen Bedingungen auf den niedrigsten ausreichenden Wert einstellt. Der LP8872-Q1 von Texas Instruments unterstützt integrierte analoge Stromdimmung und hybride PWM-Dimmung, wodurch die EMI reduziert, der gesamte optische Wirkungsgrad gesteigert und die Lebensdauer der LED verlängert wird.

Merkmale

  • Gemäß AEC-Q100 für Fahrzeuganwendungen zugelassen mit einer Bauteiltemperaturklasse 1 von –40 °C bis +125 °C, TA
  • Eingangsspannungsbetriebsbereich von 3 V bis 48 V
  • Sechs Stromsenken mit hoher Genauigkeit
    • Bis zu 150 mA DC für jeden Kanal
    • Stromangleichung 1 % (typisch)
    • Hohes Dimmungsverhältnis von 32000:1 mit 152 Hz LED-Ausgangs-PWM-Frequenz
    • Bis zu 16-Bit-LED-PWM-Dimmauflösung mit I2C oder PWM-Eingang
    • Unterstützt unabhängige PWM-Dimmung für jeden Kanal
  • Bis zu 48 VOUT Boost- oder SEPIC-DC/DC-Wandler
    • Integrierter 5,4-A-Schalt-FET
    • Unterstützt Boost-/SEPIC-Betrieb
    • Höherer Wirkungsgrad mit 60 mΩ RDSON und schnellem Umschalten
    • Dual-Random-Frequenzspreizung mit wählbarer Boost-Funktion zur Reduierung der EMI
    • Einstellbarer Soft-Start eines Wandlers
    • Boost-Sync-Eingang zum Einstellen der Boost-Schaltfrequenz über einen externen Taktgeber
    • Ausgangsspannung wird automatisch entladen, wenn Boost deaktiviert ist
  • Automatisches Phasenverschieben bei PWM-Dimmung und direkte PWM-Dimmung
  • Hybriddimmung und 12-Bit-Analogdimmung
  • Umfangreiche Fehlererkennungs- und Schutzfunktionen
    • Bis 1 MHz I2C-Steuerschnittstellemit CRC-Prüfung
    • Bitintegritätsfehlererkennung (CRC) in internen Konfigurationsregistern nichtflüchtiger Speicher (NVM)
    • Eingangsspannung: OVP, UVLO und OCP
    • Boost-Überstrom- und Überspannungsschutz
    • Erkennung von offenen LEDs, Kurzschlüssen und Erdschluss
    • Thermische Warnung und thermische Abschaltung
  • Größe Lösungsgröße und niedrige Kosten
    • Dynamisch programmierbare breite Schaltfrequenz von 100 kHz bis 2,2 MHz
    • Verfügbar im 4 mm × 4 mm HotRod™ QFN-Gehäuse mit benetzbarer Flanke

Applikationen

  • Hintergrundbeleuchtung für
    • Fahrzeug-Infotainment und Cluster
    • Smart-Spiegel
    • Zentrales Informationsdisplay (CID)
    • Head-up-Display (HUD)
    • Kameraüberwachungssysteme

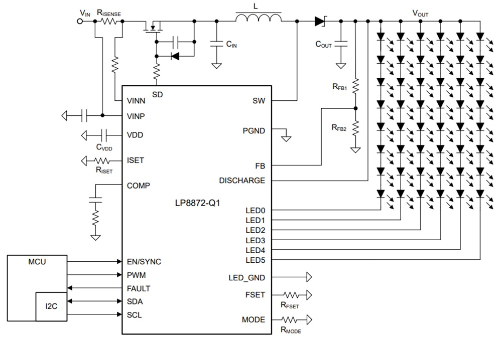
Vereinfachtes Schema

Schaltplan - Texas Instruments LP8872-Q1 LED-Hintergrundbeleuchtungstreiber
Veröffentlichungsdatum: 2025-09-17 | Aktualisiert: 2025-09-28