Texas Instruments OPA859 Rauscharmer Breitband-Operationsverstärker

Der OPA859 Breitband-Operationsverstärker von Texas Instruments enthält CMOS-Eingänge für Breitband-Transimpedanz- und Spannungsverstärker-Applikationen. Wenn das Bauteil als Transimpedanzverstärker (TIA) konfiguriert ist, ermöglicht das 0,9GHz-Verstärkungs-Bandbreitenprodukt (GBWP) eine hohe Bandbreite mit geschlossener Schleife in Fotodioden-Applikationen mit niedriger Kapazität.

Der OPA859 ist für den Betrieb in optischen Time-of-Flight-(ToF)-Systemen optimiert, bei denen der OPA859 mit Zeit-Digital-Wandlern, wie z. B. den TDC7201, verwendet wird. Der OPA859 kann zum Antrieb von Hochgeschwindigkeits-Analog-Digital-Wandlern (ADC) in LIDAR-Systemen mit hoher Auflösung mit einem Differential-Ausgangsverstärker, wie z. B. den THS4541 oder LMH5401, eingesetzt werden.

Merkmale

  • Hohe Bandbreite mit Verstärkungsfaktor Eins: 1,8 GHz
  • Verstärkungs-Bandbreitenprodukt: 900 MHz
  • MOSFET-Eingänge mit extrem niedrigem Bias-Strom: 10 pA
  • Niedriges Eingangsspannungsrauschen: 3,3 nV/√Hz
  • Anstiegsrate: 1.150 V/µs
  • Niedrige Eingangskapazität
    • Gleichtakt: 0,6 pF
    • Differential: 0,2 pF
  • Großer Eingangsgleichtaktbereich
    • 1,4 V von positiver Versorgung
    • Enthält eine negative Versorgung
  • 2,5 VPP Ausgangsschwingung in der TIA-Konfiguration
  • Versorgungsspannungsbereich: 3,3 V bis 5,25 V
  • Ruhestrom: 20,5 mA
  • Gehäuse: 8-Pin-WSON
  • Temperaturbereich: –40 bis +125 °C

Applikationen

  • Hochgeschwindigkeits-Transimpedanzverstärker
  • Laser-Entfernungsmessung
  • CCD-Ausgangsbuffer
  • Hochgeschwindigkeits-Buffer
  • Optische Zeitbereichsreflektometrie (OTDR)
  • Aktiver Hochgeschwindigkeits-Filter
  • 3D-Scanner
  • Silizium-Fotomultiplizierer-(SiPM)-Bufferverstärker
  • Fotomultiplizierer-Rohrstempel-Verstärker

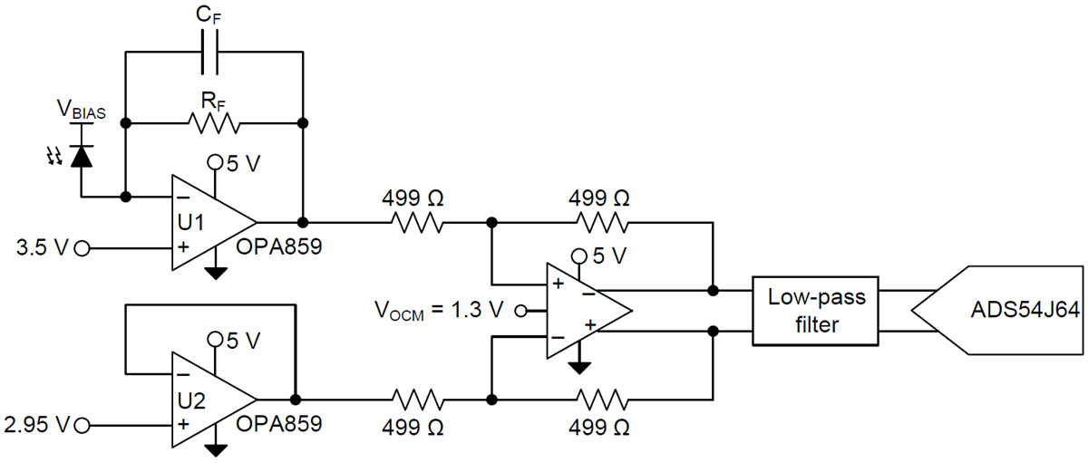
Typische Applikation

Applikations-Schaltungsdiagramm - Texas Instruments OPA859 Rauscharmer Breitband-Operationsverstärker
Veröffentlichungsdatum: 2018-10-12 | Aktualisiert: 2025-07-10