Texas Instruments PCA95xx I²C and SMBus Repeaters, Switches, and Expanders

Texas Instruments PCA95xx I²C und SMBus-Repeater, -Schalter und -Expander

Texas Instruments PCA95xx I²C und SMBus-Geräte bestehen aus einer Vielzahl an Logik-ICs einschließlich Repeater, bidirektionaler Umwandlungsschalter und I/O-Expander.

Texas Instruments PCA95xx I²C and SMBus Repeaters, Switches, and Expanders

 Produktliste ansehen

Zusätzliche Ressourcen

TI PCA9515A dualer bidirektionaler I²C- und SMBus-Repeater ist ein BiCMOS-IC, der für I²C und SMBus-Systemanwendungen entwickelt wurde. Der PCA9515A enthält zwei identische bidirektionale Open-Drain-Pufferschaltkreise, die I²C und ähnlichen Bussystemen Erweiterung ohne Systemleistungseinbußen ermöglichen.


PCA9515A Features
  • Bidirektionale Zwei-Kanal-Puffer
  • I²C Bus- und SMBus-kompatibel
  • Aktiv-high, Repeater-freigeschalteter Eingang
  • Open-Drain-I²C I/O
  • 5.5-V toleranter I²C I/O und freigeschalteter Eingang unterstützt Mixed-Modus-Signalbetrieb
  • Lockup-Freier Betrieb
  • Inklusive Standard-Modus- und Fast-Modus-I²C-Geräte und mehrerer Master
  • Unterstützt Arbitration und Taktstretching durch den Repeater
  • Ausgeschaltete Hoch-Impedanz-I²C-Pins
  • Latch-Up-Leistung über 100 mA nach JESD 78, Klasse II
  • ESD-Schutz übertrifft JESD 22
    • 2000-V Human-Body Modell (A114-A)
    • 200-V Machine Modell (A115-A)
    • 1000-V Charged-Device Modell (C101)
Anwendungen
  • I²C Bus- Systeme
  • SMBus- Systeme

PCA9515A Anwendungsschaltkreis
PCA9515A Application Circuit
Texas Instruments PCA95xx I²C and SMBus Repeaters, Switches, and Expanders

 Produktliste ansehen

Zusätzliche Ressourcen

Der TI PCA9544A ist ein bidirektionaler Vierfach-Umwandlungsschalter, der durch den I²C-Bus gesteuert wird. Das vorgeschaltete SCL/SDA-Paar auf dem PCA9544A fächert sich in vier vorgeschaltete Paare auf, beziehungsweise in Kanäle auf dem PCA9544A, und ein SCL/SDA-Paar kann jeweils ausgewählt werden, was durch die Inhalte des programmierbaren Kontrollregister festgelegt ist.


PCA9544A Features
  • 1-von-4 Bidirektionaler Umwandlungsschalter
  • I²C Bus- und SMBus-kompatibel
  • Vier aktiv-low Interrupteingänge
  • Aktiv-low Interruptausgang
  • Drei Adressenanschlüsse ermöglichen bis zu acht Geräte auf dem I2C-Bus
  • Kanalauswahl vie I²C-Bus
  • Hochfahren mit allen Schaltkanälen deaktiviert
  • Niedrige RON-Schalter
  • Erlaubt Spannungslevelumwandlung zwischen 1.8V, 2.5V, 3.3V und 5V Buses
  • Keine Störimpulse beim Anschalten
  • Unterstützt Hot Insertion
  • Niedriger Standby-Strom
  • Betriebsspannungsversorgungsbereich von 2.3V bis 5.5V
  • 5.5V tolerante Eingänge

PCA9544A Blockdiagramm
PCA9544A Block Diagram
Texas Instruments PCA95xx I²C and SMBus Repeaters, Switches, and Expanders

 Produktliste ansehen

Zusätzliche Ressourcen

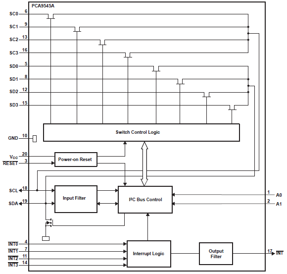
TI PCA9545A ist ein bidirektionaler Vierfach-Umwandlungsschalter, der durch den I²C-Bus gesteuert wird. Das vorgeschaltete SCL/SDA-Paar auf dem PCA9545A fächert sich in vier vorgeschaltete Paare oder Kanäle auf. Auf dem  PCA9545A kann jeder individuelle SCn/SDn-Kanal oder eine Kombination von Kanälen ausgewählt werden, was durch die Inhalte des programmierbaren Kontrollregister festgelegt ist.


PCA9545A Features
  • 1-von-4 Bidirektionaler Umwandlungsschalter
  • I²C-Bus und SMBus-kompatibel
  • Vier Aktiv-Low Interrupteingänge
  • Aktiv-Low Interruptausgang
  • Aktiv-Low Reset-Eingang
  • Zwei Adressenanschlüsse erlauben bis zu vier Geräte auf dem I²C-Bus
  • Kanalauswahl via I²C Bus, bei jeder Kombination
  • Hochfahren mit allen Schaltkanälen deaktiviert
  • Niedriger RON Schalter
  • Ermöglicht Spannungslevelumwandlung zwischen 1.8V, 2.5V, 3.3V und 5V Buses
  • Keine Störimpulse beim Anschalten
  • Unterstützt Hot Insertion
  • Niedriger Standby-Strom
  • Betriebsspannungsversorgungsbereich von 2.3V bis 5.5V
  • 5.5V tolerante Eingänge
  • 0 bis 400kHz Taktfrequenz
  • Latch-Up-Leistung über 100 mA nach JESD 78
  • ESD-Schutz übertrifft JESD 22
    • 2000V Human-Body Modell (A114-A)
    • 200V Machine Modell (A115-A)
    • 1000V Charged-Device Modell (C101)

PCA9545A Blockdiagramm
PCA9545A Block Diagram
Texas Instruments PCA95xx I²C and SMBus Repeaters, Switches, and Expanders

 Produktliste ansehen

Zusätzliche Ressourcen

TI PCA9554A ist ein Remote-8-Bit-I²C- und SMBus-Expander. Der PCA9554A bietet generelle I/O-Erweiterung für die meisten Microcontroller-Familien via I²C-Schnittstelle.


PCA9554A Features
  • I²C zu parallelem Port-Expander
  • Open-Drain Aktiv-Low Interruptausgang
  • Betriebsspannungsversorgungsbereich von 2.3V bis 5.5V
  • 5V tolerante I/Os
  • 400kHz schneller I²C-Bus
  • Drei Hardware-Adressenanschlüsse ermöglichen bis zu acht Geräte auf dem I²C/SMBus
  • Eingangs-/Ausgangskonfigurationsregister
  • Polaritätsumstellungsregister
  • Internes Power-On-Reset
  • Hochfahren mit allen Kanälen konfiguriert als Eingänge
  • Keine Störimpulse beim Anschalten
  • Selbsthaltende Ausgänge mit Hochstrom sorgen für maximale Leistung für direkten LED-Antrieb
  • Latch-Up-Leistung über 100 mA nach JESD 78, Klasse II
  • ESD-Schutz übertrifft JESD 22
    • 2000V Human-Body Modell (A114-A)
    • 200V Machine Modell (A115-A)
    • 1000V Charged-Device Modell (C101)

PCA9554A Funktionales Blockdiagramm
PCA9554A Block Diagram
Texas Instruments PCA95xx I²C and SMBus Repeaters, Switches, and Expanders

 Produktliste ansehen

Zusätzliche Ressourcen

TI PCA9557 ist ein Remote-8-Bit-I²C- und SMBus-Expander. Der PCA9557  bietet generelle I/O-Erweiterung für die meisten Microcontroller-Familien via I²C-Schnittstelle.


PCA9557 Features
  • Niedriger Standby-Stromverbrauch von 1µA Max
  • I²C zu parallelem Port-Expander
  • Betriebsversorgungsspannungsbereich von 2.3V bis 5.5V
  • 5V tolerante I/O Ports
  • 400-kHz schneller I²C-Bus
  • Drei Hardware-Adressanschlüsse ermöglichen den Einsatz von bis zu acht Geräten auf dem I²C/SMBus
  • Leistungsstarker Migrationspfad für PCA9556
  • Eingangs-/Ausgangskonfigurationsregister
  • Polaritätsumstellungsregister
  • Aktiv-Low Reset-Eingang
  • Internes Power-On-Reset
  • Hochimpedanz-Open-Drain auf P0
  • Hochfahren mit allen Kanälen konfiguriert als Eingänge
  • Keine Störimpulse beim Anschalten
  • Rauschfilter für SCL/SDA-Eingänge
  • Selbsthaltende Ausgänge mit Hochstrom sorgen für maximale Leistung für direkten LED-Antrieb
  • Latch-Up-Leistung über 100 mA nach JESD 78, Klasse II
  • ESD-Schutz übertrifft JESD 22
    • 2000V Human-Body Modell (A114-A)
    • 200V Machine Modell (A115-A)
    • 1000V Charged-Device Modell (C101)

PCA9557 Logikdiagramm
PCA9557 Logic Diagram
  • Texas Instruments
Veröffentlichungsdatum: 2012-02-09 | Aktualisiert: 2023-11-13