Texas Instruments RM42L232 16/32-Bit-RISC-Flash-Microcontroller
Texas Instruments RM42L232 16/32-Bit-RISC-Flash-Mikrocontroller (MCU) ist ein leistungsstarker Mikrocontroller für Sicherheitssysteme. Die Sicherheitsarchitektur umfasst Dual-CPUs in Lockstep, CPU- und Speicher-BIST-Logik, ECC auf Flash- sowie Daten-SRAM, Parität für Peripheriespeicher und Loop-Back-Fähigkeit auf Peripherie-I/Os. Das RM42L232 Bauteil enthält die ARM Cortex-R4-CPU. Die CPU bietet effiziente 1,66 DMIPS/MHz und Konfigurationen, die bis zu 100 MHz ausführen und 166 DMIPS bereitstellen können. Das Bauteil arbeitet im Little-Endian-Modus (LE).Merkmale
- Leistungsstarker Mikrocontroller für sicherheitskritische Applikationen
- ARM® Cortex®-R4-32-Bit-RISC-CPU
- Betriebsbedingungen
- 100 MHz Systemtakt
- Core-Versorgungsspannung (VCC): 1,2 V Nennspannung
- I/O-Versorgungsspannung (VCCIO): 3,3 V Nennspannung
- ADC-Versorgungsspannung (VCCAD): 3,3 V Nennspannung
- Integrierter Speicher
- 384 KB Programm-Flash-Speicher mit ECC
- 32 KB RAM mit ECC
- 16 KB Flash für emulierte EEPROM mit ECC
- Hercules™ gemeinsame Plattformarchitektur
- Frequenzmodulierte Phasenregelschleife (FMPLL) mit eingebautem Slip-Detektor
- IEEE 1149.1 JTAG-Boundary-Scan und ARM CoreSight™-Komponenten
- Erweitertes JTAG-Sicherheitsmodul (AJSM)
- Mehrere Kommunikationsschnittstellen
- High-End-Timer-Modul (N2HET) der nächsten Generation
- Enhanced Quadrature Encoder Pulse-Modul (eQEP)
- 12-Bit-Multipuffer-Analog-Digital-Wandler-Modul (ADC)
- Bis zu 45 Universal-Ein/-Ausgangs-Pins (GPIO)
- Gehäuse
- 100-Pin-Quad-Flatpack
Applikationen
- Sicherheitsapplikationen in der Industrie
- Industrielle Automatisierung
- Sichere programmierbare Logik-Steuerungen (PLCs)
- Stromerzeugung und -verteilung
- Turbinen und Windmühlen
- Rolltreppen und Aufzüge
- Applikationen im medizinischen Bereich
- Ventilatoren
- Defibrillatoren
- Infusions- und Insulinpumpen
- Strahlentherapie
- Roboterchirurgie
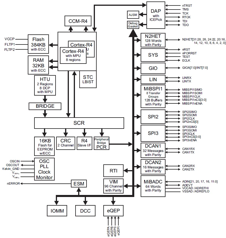
Funktionales Blockdiagramm
Veröffentlichungsdatum: 2016-06-14
| Aktualisiert: 2022-03-11
