Texas Instruments SN65LVDS302 Anzeigeempfänger mit serieller Schnittstelle
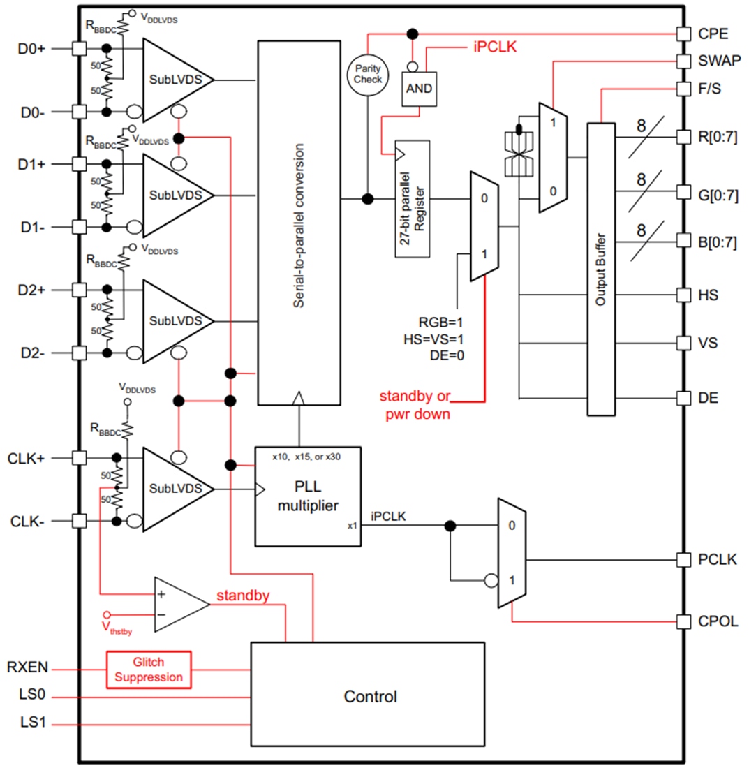
Der Texas Instruments SN65LVDS302 programmierbare 27-Bit-Anzeigeempfänger mit serieller Schnittstelle deserialisiert FlatLink™ 3G-konforme serielle Eingangsdaten zu 27 parallelen Datenausgängen. Der SN65LVDS302 Empfänger von Texas Instruments enthält ein Schieberegister, um 30 Bits von 1 2 oder 3 seriellen Eingängen zu laden. Nach der Überprüfung des Paritätsbits werden 24-Pixel- und drei Steuerbits an den parallelgeschalteten CMOS-Ausgängen gespeichert. Wenn die Paritätsprüfung die korrekte Parität bestätigt, bleibt der CPE-Ausgang (Channel Parity Error, CPE) niedrig. Wenn ein Paritätsfehler erkannt wird, erzeugt der CPE-Ausgang einen hohen Puls, während der Datenausgangsbus das neu empfangene Pixel ignoriert. Stattdessen wird das letzte Datenwort für einen weiteren Taktzyklus auf dem Ausgangsbus gehalten.Merkmale
- Serielle Schnittstellen-Technologie
- Kompatibel mit FlatLink™ 3G, wie z. B. SN65LVDS301
- Unterstützt Videoschnittstellen von bis zu 24-Bit-RGB-Daten und drei Steuerbits, die über eine, zwei oder drei SubLVDS-Differentialleitungen empfangen werden
- Drei Betriebsmodi zur Stromeinsparung
- Aktivmodus-QVGA von 17 mW
- Abschaltung: 0,7 µW (typisch)
- Typischer Standby-Modus: 27 µW
- SubLVDS-Differential-Spannungspegel
- Datendurchsatz von bis zu 1,755 GBit/s
- Bus-Swap-Funktion für PCB-Layout-Flexibilität
- ESD-Einstufung > 4 kV (HBM)
- Pixeltaktbereich: 4 MHz bis 65 MHz
- Ausfallsicher auf allen CMOS-Eingängen
- In einem nFBGA-Gehäuse von 5 mm × 5 mm mit einem Ball-Rastermaß von 0,5 mm untergebracht
- Sehr niedrige EMI erfüllt die Anforderungen der SAE J1752/3 „Kh“-Spezifikation
Applikationen
- Wearables (nicht-medizinisch)
- Tablets
- Handys
- Tragbare Elektronik
- Spiele
- Automatisierung und Zahlung im Einzelhandel
- Gebäudeautomatisierung
Funktionales Blockdiagramm
Veröffentlichungsdatum: 2020-12-17
| Aktualisiert: 2024-10-21
