Texas Instruments SN74LVC257A/SN74LVC257A-Q1 Daten-Multiplexer
Texas Instruments SN74LVC257A/SN74LVC257A-Q1 vierfache Datenselektoren/Multiplexer sind Bauteile für 1 bis 2 Leitungen mit einer maximalen Laufzeitverzögerung von 4,6 ns bei 3,3 V. Diese Datenselektoren/Multiplexer sind für das Multiplexen von Signalen aus 4-Bit-Datenquellen auf Datenleitungen mit 4 Ausgängen in Bus-organisierten Systemen ausgelegt. Die dreistufigen Ausgänge belasten die Datenleitungen nicht, wenn der Output-Enable-Eingang auf einem hohen Logikpegel liegt. Die Datenselektoren/Multiplexer SN74LVC257A-Q1 sind für Fahrzeuganwendungen qualifiziert und für den Betrieb in einem Spannungsbereich von 2,7 VCC bis 3,6 VCC ausgelegt. Diese Datenselektoren/Multiplexer werden in I/O-Erweiterungen, Motortreibern, Servern, Netzwerk-Switches und Telekommunikationsinfrastrukturen eingesetzt.Merkmale
- Maximale Laufzeitverzögerung: 4,6 ns bei 3,3 V
- Die Eingänge akzeptieren Spannungen bis 5,5 V
- <0,8 V typisch VOLP (Output Ground Bounce) bei VCC= 3,3 V, TA= 2,5 °C
- >2 V typisch VOHV (Unterschwingung der Ausgangsspannung VOH) bei VCC= 3,3 V, TA= 2,5 °C
- SN74LVC257A-Q1:
- Für Fahrzeuganwendungen zugelassen
- Arbeitet in einem Spannungsbereich von 2 V bis 3,6 V
- Der ESD-Schutz überschreitet 2.000 V gemäß MIL-STD-883, Methode 3015
- SN74LVC257A:
- Arbeitet im Spannungsbereich von 1,65 V bis 3,6 V
- Latch-up-Leistung übersteigt 250 mA gemäß JESD 17
- ESD-Schutz übertrifft JESD 22:
- 2.000 V Human-Body Model (A114-A)
- 200 V Maschinenmodell (A115-A)
Applikationen
- I/O-Erweiterungen
- Motortreiber
- Server
- Netzwerkschalter
- Telekommunikationsinfrastrukturen
- Tests und Messungen
- Kabelmodem-Abschluss-Systeme
Datenblätter
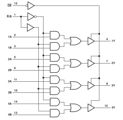
Funktionales Blockdiagramm
Veröffentlichungsdatum: 2024-07-18
| Aktualisiert: 2024-08-28
