Texas Instruments SN74AC139-Q1 Dualer 2-zu-4-Leitungsdecoder/Multiplexer
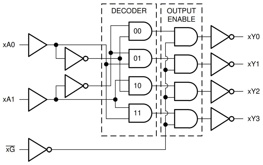
Der duale 2-to-4-Leitungsdecoder/Multiplexer SN74AC139-Q1 von Texas Instruments enthält zwei Zwei-zu-Vier-Decoder mit einem Aktiv-Low-Ausgabestrobesignal (G). Wenn die Ausgänge eines Kanals durch den Strobe-Eingang (G = HIGH) aktiviert werden, werden alle SN74AC139-Q1 von Texas Instruments in den hohen Zustand gezwungen. Wenn der Strobe-Eingang die Ausgänge nicht deaktiviert (G = LOW), ist nur der gewählte Ausgang low, während alle anderen high sind.Merkmale
- Gemäß AEC-Q100 für Fahrzeuganwendungen zugelassen
- Bauteiltemperatur Klasse 1 von -40 °C bis +125 °C
- HBM-ESD-Bauteilklassifikation Stufe 2
- Geräte-CDM-ESD-Klassifizierungsstufe C4B
- Verfügbar im QFN-Gehäuse mit benetzbaren Flanken
- Breiter Einsatzbereich von 1,5 V bis 6 V
- Eingänge akzeptieren Spannungen bis zu 6 V
- Ununterbrochener ±24 mA Ausgangsantrieb bei 5 V
- Unterstützt bis zu ±75 mA Ausgangsantrieb bei 5 VIN kurzen Bursts
- Ansteuerung von 50-Ω-Übertragungsleitungen
- Maximaler tpd von 9,5 ns bei 5 V, 50 pF Last
Applikationen
- Auswahl von Speicherbausteinen mit gemeinsamem Datenbus
- Streckendaten
- Reduzieren Sie die erforderliche Anzahl von Ausgängen für Chip-Select-Anwendungen
Weitere Ressourcen
- Applikationshinweis: Auswirkungen von langsamen oder potenzialfreien CMOS-Eingängen
- Auswahlhilfe: Logik-Leitfaden
- Anwendungshinweis: Verstehen und Interpretieren von Datenblättern für Standard-Logikschaltungen
- Benutzerhandbuch: Logik-Taschendatenbuch
- Applikationshinweis: Design mit Logik
- Applikationshinweis: Verwendung von Hochgeschwindigkeits-CMOS und fortschrittlichem CMOS in Systemen mit mehreren VCC
- Erweiterte Fahrerassistenzsysteme (FAS)
Funktionales Blockdiagramm
Veröffentlichungsdatum: 2025-03-24
| Aktualisiert: 2025-05-06
