Texas Instruments SN74AC2G101/SN74AC2G101-Q1 Gates
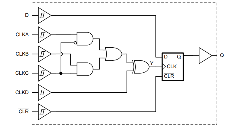
Die Gates SN74AC2G101/SN74AC2G101-Q1 von Texas Instruments verfügen über zwei unabhängige D-Flipflops mit einer durch die steigende Flanke getriggerten konfigurierbaren Logik-Taktfrequenz, einem Active-Low-Clear und Dateneingängen. Die Takteingänge können für mehrere Logikfunktionen mit 1 und 2 Eingängen konfiguriert werden, darunter Puffer, Inverter, AND, OR, NAND, NOR, XOR und XNOR. Alle Eingänge verfügen über eine Schmitt-Trigger-Architektur, dank der langsame oder verrauschte Eingangssignale unterstützt werden.Das SN74AC2G101-Q1 von TI ist nach AEC-Q100 für Fahrzeuganwendungen zertifiziert.
Merkmale
- Zertifiziert nach AEC-Q100 für Fahrzeuganwendungen (SN74AC2G101-Q1):
- Gerätetemperaturklasse 1 von -40 °C bis +125 °C
- HBM-ESD-Bauteilklassifikation Stufe 2
- Bauelement CDM ESD -Klassifizierungsstufe C4B
- Verfügbar in einem benetzbaren Flanken-QFN-Gehäuse
- Breiter Betriebsbereich von 1,5 V bis 6 V
- Eingänge akzeptieren Spannungen bis zu 6 V
- Kontinuierlicher Ausgangsantrieb von ±24 mA bei 5 V
- Unterstützt einen Ausgangsantrieb von bis zu ±75 mA bei 5 V in kurzen Impulsen
- Treibt 50-Ω-Übertragungsleitungen an
- Maximale tpd: 11,3 ns bei 5 V, 50 pF Last
Applikationen
- Signal während Controller-Reset halten
- Langsame Edge-Raten-Signale eingeben
- Betrieb in lauten Umgebungen
Datenblätter
Logikschaltung (Positive Logikschaltung)
Veröffentlichungsdatum: 2025-08-16
| Aktualisiert: 2025-08-25
