Texas Instruments SN74ACT2G101/Q1 Dual konfigurierbare Daten-Flip-Flops

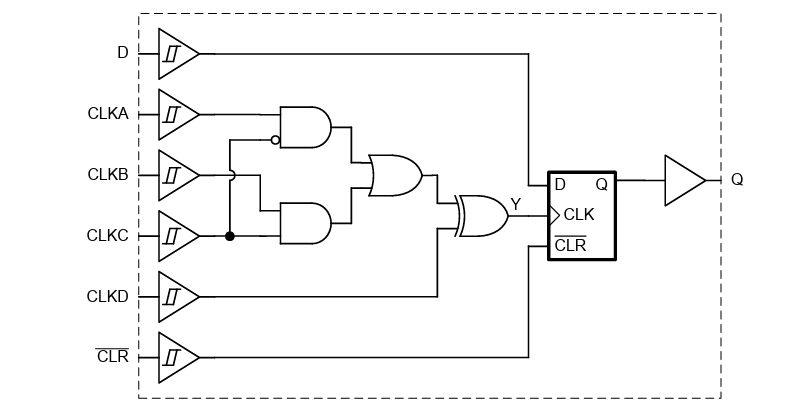
Die SN74ACT2G101/Q1 Dual konfigurierbaren Daten-Flip-Flops von Texas Instruments verfügen über eine durch steigende Flanke getriggerte, konfigurierbare Logiktaktung, Active-Low-Clear und Dateneingänge. Die Taktgeber-Eingänge können für verschiedene 1- und 2-Eingangs-Logikfunktionen konfiguriert werden, einschließlich Buffern, Wechselrichtern, AND, OR, NAND, NOR, XOR und XNOR. Alle Eingänge nutzen eine Schmitt-Trigger-Architektur, um langsame oder verrauschte Eingangssignale zu unterstützen.

Die TI SN74ACT2G101-Q1-Flip-Flops sind für Fahrzeuganwendungen nach AEC-Q100 zertifiziert.

Merkmale

  • AEC-Q100-qualifiziert für Fahrzeuganwendungen:
    • Gerätetemperaturklasse 1: -40 ° bis +125 °C
    • HBM-ESD-Bauteilklassifikation Stufe 2
    • Bauelement CDM ESD -Klassifizierungsstufe C4B
  • Verfügbar in einem benetzbaren Flanken-QFN-Gehäuse
  • Betriebsspannungsbereich 4,5 V bis 5,5 V
  • TTL-kompatible Schmitt-Trigger-Eingänge unterstützen langsame und verrauschte Eingangssignale
  • Kontinuierliche Ausgangssteuerung von ±24 mA bei 5 V
  • Unterstützt einen Ausgangsantrieb von bis zu ±75 mA bei 5 V in kurzen Bursts
  • Betreibt 50 Q-Übertragungsleitungen
  • Schneller Betrieb mit einer Verzögerung von maximal 10,5 ns

Applikationen

  • Hält ein Signal während des Reglerresets
  • Langsame Edge-Raten-Signale eingeben
  • Betrieb in lauten Umgebungen

Logik-Diagramm (positive Logik)

Schaltungsanordnung - Texas Instruments SN74ACT2G101/Q1 Dual konfigurierbare Daten-Flip-Flops
Veröffentlichungsdatum: 2026-01-09 | Aktualisiert: 2026-01-21