Texas Instruments SN74ACT596/SN74ACT596-Q1 SIPO-Schieberegister
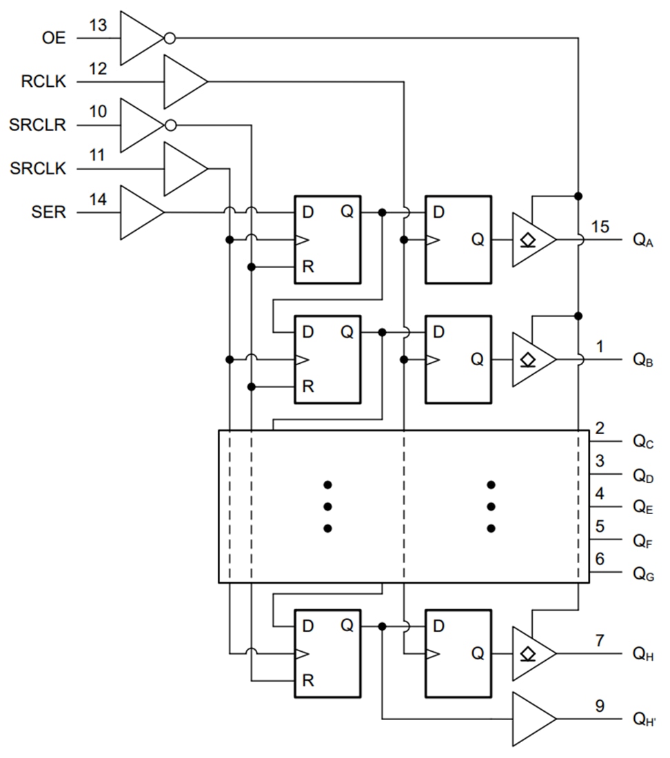
Die 8-Bit-SIPO-Schieberegister SN74ACT596/SN74ACT596-Q1 von Texas Instruments enthalten ein 8-Bit-Serial-In-Parallel-Out-Schieberegister (SIPO), das ein 8-Bit-D-Speicherregister speist. Sowohl für das Speicher- als auch für das Schieberegister sind separate Takte vorgesehen und das Speicherregister verfügt über parallele Open-Drain-Ausgänge. Das Schieberegister verfügt über einen Eingang für direktes übergeordnetes Löschen (SRCLR\), einen seriellen Ausgang (QH') und einen seriellen Eingang (SER) für die Kaskadierung. Die Ausgänge befinden sich in einem hochohmigen Zustand, wenn der Eingang für die Ausgangsfreigabe (OE\) hoch ist. Der Betrieb des OE\-Eingangs hat keinen Einfluss auf die internen Registerdaten. Die Bauteile der Baureihe SN74ACT596-Q1 von Texas Instruments sind gemäß AEC-Q100 für Fahrzeuganwendungen zugelassen.Merkmale
- Betriebsspannungsbereich von 4,5 V bis 5,5 V
- TTL-kompatible Eingänge
- Kontinuierlicher Ausgangsstrom von ±24 mA bei 5 V
- Unterstützt kurzzeitig Ausgangsströme von bis zu ±75 mA bei 5 VIN
- Ansteuerung von 50-Ω-Übertragungsleitungen
- Schneller Betrieb mit einer Verzögerung von max. 11,6 ns
Applikationen
- Erhöht die Anzahl der Ausgänge eines Mikrocontrollers
- Zwischenspeicherung von bis zu 8 Bits an Daten
Weitere Ressourcen
- SN74ACT596 Datenblatt
- SN74ACT596-Q1 Datenblatt
- Applikationshinweis: Auswirkungen langsamer oder unbelegter CMOS-Eingänge
- Auswahlhilfe: Logik-Leitfaden
- Anwendungshinweis: Verstehen und Interpretieren von Datenblättern für Standard-Logikschaltungen
- Benutzerhandbuch: LOGIC Pocket Data Book
- Applikationshinweis: Auswahl der richtigen Lösung für die Pegelumsetzung
- Applikationshinweis: Design mit Logik
- Applikationshinweis: Verwendung von Hochgeschwindigkeits-CMOS und fortschrittlichem CMOS in Systemen mit mehreren VCC
Logikschaltbild (Positive Logikschaltung)
Veröffentlichungsdatum: 2025-03-25
| Aktualisiert: 2025-05-06
