Texas Instruments SN74AHCT374/SN74AHCT374-Q1 Oktal-Flip-Flops des Typs D
Die Okta-D-Flip-Flops SN74AHCT374/SN74AHCT374-Q1 von Texas Instruments verfügen über 3-state-Ausgänge und acht D-Typ-Flip-Flops. Diese Flipflops arbeiten mit einem Versorgungsspannungsbereich von 4,5 V bis 5,5 V mit geringer Verzögerung, 7,6 ns bei 5 V 15 pF Last und unterstützen 130 MHz bei 5 V 15 pF Last. Alle Kanäle teilen sich einen steigenden flanken-getriggerten Takteingang (CLK) und einen aktiv-niedrigen Ausgangsfreigabeeingang (OE). Dieses Gerät verfügt über eine Flow-Through-Pinbelegung für einfacheres BUS-Routing und bietet TTL-kompatible Eingänge. Das SN74AHCT374-Q1 Flip-Flop -Gerät ist AEC-Q100 qualifiziert für Fahrzeuganwendungen. Dieses Gerät ist in einem benetzbaren Flanken -QFN- Paket verfügbar und das Latch-Up- Betriebsverhalten übersteigt 250 mA pro JESD 17. Das SN74AHCT374/SN74AHCT374-Q1 Flip-Flop ist ideal für die parallele Datensynchronisation, parallele DatenSpeicherung, Schiebe-Register und Mustergeneratoren.Merkmale
- AEC-Q100-qualifiziert für Fahrzeuganwendungen (SN74AHCT374-Q1)
- -40 °C bis 125 °C Gerätetemperaturklasse 1
- Geräte-HBM-ESD-Klassifizierungsstufe 2
- Bauelement CDM ESD -Klassifizierungsstufe C4B
- Erhältlich in einer benetzbaren Flanken-QFN-Verpackung
- 4,5 V bis 5,5 VCC Betriebsversorgungsspannung
- TTL-kompatible Eingänge
- Geringe Verzögerung, 7,6 ns bei 5 V und 15 pF Last
- Unterstützt 130 MHz bei 5 V, 15 pF Last
- Latch-up Betriebsverhalten übersteigt 250 mA pro JESD 17
Applikationen
- Parallelgeschaltete Datensynchronisierung
- Parallelgeschalteter Speicher
- Schieberegister
- Mustergeneratoren
Funktionales Blockdiagramm
Elektrische Platzierung von Sperrdioden für jeden Eingang und Ausgang
Diagramm der typischen Eigenschaften
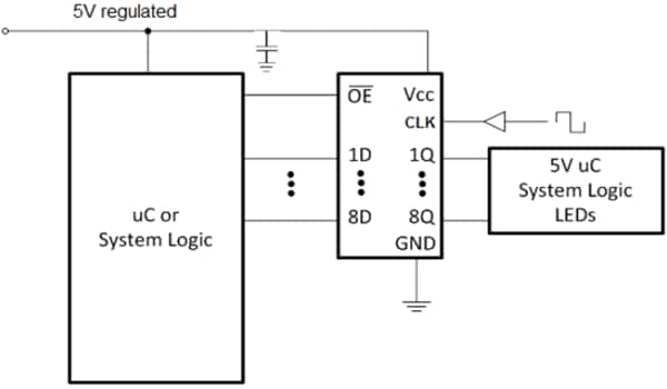
Typisches Schaltschema für die Applikation
Datenblätter
Veröffentlichungsdatum: 2025-09-29
| Aktualisiert: 2026-01-21
