Texas Instruments SN74AHCT594/SN74AHCT594-Q1 8-Bit Schieberegister
Texas Instruments SN74AHCT594/SN74AHCT594-Q1 8-Bit-Schieberegister enthalten ein 8-Bit-Serial-in-Parallel-out-Schieberegister, das ein 8-Bit-D-Typ-Speicherregister speist. Die Schieberegister und Speicherregister verfügen über separate Taktgeber und direkte übergeordnete Löscheingänge (SRCLR, RCLR). Ein serieller (QH) Ausgang ist für Kaskadierungszwecke vorgesehen. Die SN74AHCT594-Q1-Bauteile von Texas Instruments sind AEC-Q100-qualifiziert für Fahrzeuganwendungen.Merkmale
- Die Eingänge sind TTL-Spannungs-kompatibel
- 8-Bit-Schieberegister mit Serial-in-Parallel-out-Eingang mit Speicher
- Unabhängiges direktes überschreibendes Löschen auf Schieberegistern und Speicherregistern
- Unabhängige Taktgeber für sowohl Schieberegister als auch Speicherregister
- Latch-Up-Leistung übertrifft 100 mA gemäß JESD 78, Klasse II
- ESD-Schutz überschreitet JESD 22
- ±3.500 V Human-Body-Modell
- ±200 V Maschinenmodell
Applikationen
- Netzwerkschalter
- Leistungsinfrastruktur
- PCs, Notebooks
- Wearables für Gesundheit und Fitness
- Tests und Messungen
Datenblätter
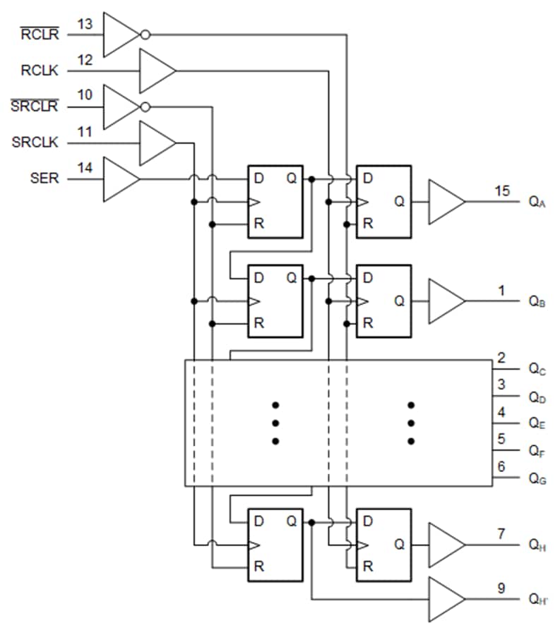
Logikschaltbild (Positive Logikschaltung)
Weitere Ressourcen
- Applikationshinweis: Auswirkungen von langsamen oder potenzialfreien CMOS-Eingängen
- Auswahlhilfe: Little-Logik-Leitfaden
- Auswahlhilfe: Logik-Leitfaden
- Applikationshinweis: So wählen Sie Little Logic aus
- Applikationshinweis: Standardlogik-Datenblätter verstehen und interpretieren
- Benutzerhandbuch: LOGIC Pocket Data Book
- Applikationshinweis: Auswahl der richtigen Lösung für die Pegelumsetzung.
- ADAS: Die Technologie für mehr Fahrzeugsicherheit
Veröffentlichungsdatum: 2024-04-24
| Aktualisiert: 2025-06-06
