Texas Instruments SN74AVC24T245 24-Bit-Bus-Transceiver mit Dual-Versorgung
Texas Instruments SN74AVC24T245 24-Bit Dual-Supply BUS Transceiver verwendet zwei separate, konfigurierbare Stromversorgungsschienen. Das SN74AVC24T245 ist für den Betrieb mit VCCA/VCCB auf 1,4 V bis 3,6 Voptimiert. Er ist mit VCCA/VCCB so niedrig wie 1,2 V betriebsbereit. Der Anschluss A ist so konzipiert, dass er VCCA verfolgt. VCCA akzeptiert jede Versorgungsspannung von 1,2 V bis 3,6 V. Der B-Anschluss ist so konzipiert, dass er VCCB folgt. VCCB akzeptiert jede Versorgungsspannung von 1,2 V bis 3,6 V. Diese Funktion ermöglicht eine universelle bidirektionale Niederspannungsübersetzung zwischen den Spannungsknoten 1,2 V, 1,5 V, 1,8 V, 2,5 Vund 3,3 V.Der SN74AVC24T245 von Texas Instruments ist für die asynchrone Kommunikation zwischen Datenbussen ausgelegt. Das Bauteil überträgt Daten vom A-Bus zum B-Bus oder vom B-Bus zum A-Bus, je nach Logikpegel am Richtungssteuerungs-(DIR)-Eingang. Der Ausgangsfreigabe-Eingang (OE) dient zur Deaktivierung der Ausgänge, so dass die Busse wirksam isoliert sind. Dieses Gerät ist vollständig für Partial-Power-Down-Anwendungen mit Ioff spezifiziert. Die Ioff-Schaltung schaltet die Ausgänge ab und verhindert so einen schädlichen Stromrückfluss durch das Gerät, wenn es ausgeschaltet ist. Die VCC-Isolierung sorgt dafür, dass beide Ports hochohmig sind, wenn einer der VCC-Eingänge auf GND liegt.
Merkmale
- Die Pegel der Steuereingänge VIH/VIL beziehen sich auf die Spannung VCCA
- VCC-Isolationsfunktion - wenn einer der VCC-Eingänge auf GND liegt, befinden sich alle Ausgänge im hochohmigen Zustand
- Überspannungstolerante Eingänge/Ausgänge ermöglichen eine gemischten Spannungsmodus-Datenkommunikation
- Ein vollständig konfigurierbares Dual-Rail-Design ermöglicht den Betrieb jedes Ports über den gesamten Stromversorgungsbereich von 1,2 V bis 3,6 V
- Max. Datenraten
- 380 MBit/s (Umsetzung zu 1,8 V bis 3,3 V)
- 200 Mbps (<1,8 V zu 3,3 V Übersetzung)
- 200 MBit/s (Umsetzung zu 2,5 V oder 1,8 V)
- 150 MBit/s (Umsetzung zu 1,5 V)
- 100 Mbps (übersetzen zu 1,2 V)
- Ioff unterstützt den Betrieb im Partial-Power-Down-Modus
- E/As sind 4,6 V tolerant
- Latch-Up-Leistung übertrifft 100 mA gemäß JESD 78, Klasse II
- ESD-Schutz überschreitet JESD 22
- 8.000 V Human-Body Model (A114-A)
- 200 V Maschinenmodell (A115-A)
- 1.000 V Charged-Device Model (C101)
Applikationen
- Persönliche Elektronik
- Industrie
- Unternehmensapplikationen
- Telekommunikation
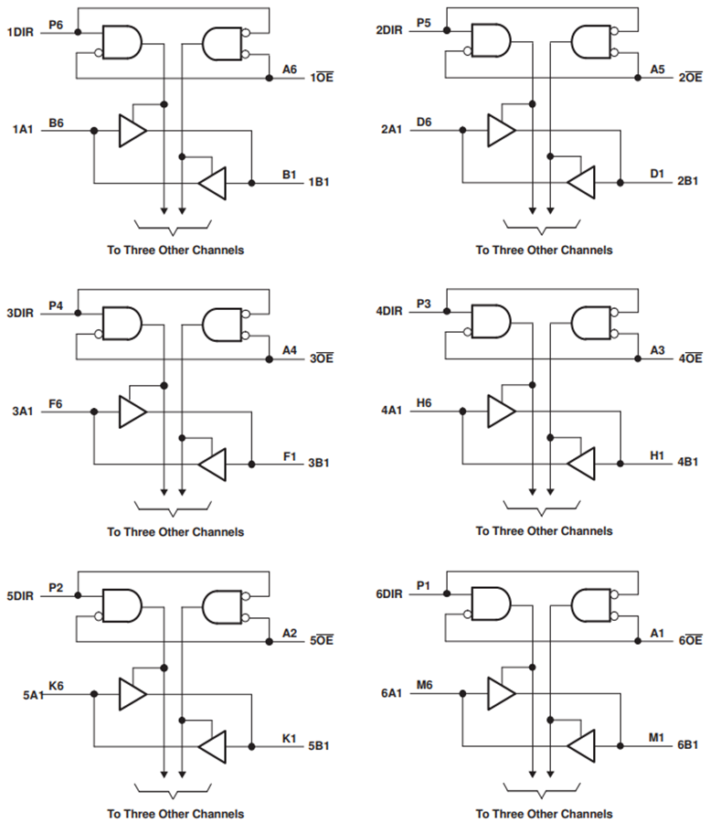
Funktionales Blockdiagramm
Veröffentlichungsdatum: 2020-09-28
| Aktualisiert: 2024-08-27
