Texas Instruments SN74HC112 Dual-J-K-Flip-Flops
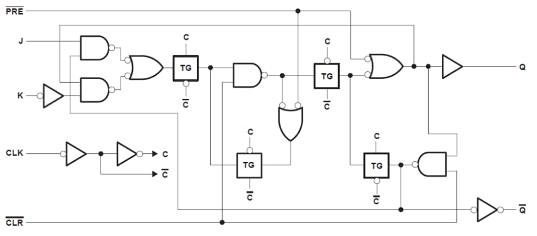
Texas Instruments SN74HC112 Dual-J-K-Flip-Flops enthalten zwei unabhängige J-K-Flip-Flops mit negativer Flankenauslösung. Ein niedriger Pegel an den Clear-Eingängen (/CLR) oder voreingestellten (/PRE) setzt die Ausgänge zurück oder stellt sie fest, unabhängig von den Pegeln der anderen Eingänge. Die Daten an den J- und K-Eingängen, welche die Setup-Zeitanforderungen erfüllen, werden an die Ausgänge auf der negativen Flankenauslösung des Taktimpulses (CLK) übertragen, wenn/CLR und/PRE inaktiv (hoch) sind. Die Taktauslösung hängt nicht direkt mit der Abfallzeit des CLK-Impulses zusammen und tritt auf einem Spannungspegel auf. Die J- und K-Eingangsdaten können geändert werden, ohne die Pegel an den Ausgängen nach dem Haltezeitintervall zu beeinträchtigen. Die SN74HC112 von Texas Instruments sind vielseitige Flip-Flops, die als Kipp-/Flip-Flops betrieben werden, indem J und K hoch gebunden werden.Merkmale
- Breiter Betriebsspannung Bereich von 2 V bis 6 V
- Die Ausgänge können bis zu 10 LSTTL-Lasten ansteuern
- Geringer Stromverbrauch, 40 µA (max.) ICC
- Typische tpd = 13 ns
- Ausgangsantrieb bei 5 V: ±4 mA
- Niedriger Eingangsstrom von 1 µA (max.)
Applikationen
- Server
- LED-Displays
- Netzwerkschalter
- Telekommunikationsinfrastruktur
- Motortreiber
- I/O-Erweiterung
Weitere Ressourcen
- Applikationshinweis: Design mit Logikschaltung
- Applikationshinweis: Auswirkungen langsamer oder potentialfreier CMOS-Eingänge
- Applikationshinweis: Datenblätter für Standard-Logikschaltungen verstehen und interpretieren
- Auswahlhilfe: Leitfaden für Logikschaltung
- Benutzerhandbuch: LOGIC Pocket Data Book
Funktionales Blockdiagramm
Veröffentlichungsdatum: 2025-05-01
| Aktualisiert: 2025-05-09
