Texas Instruments SN74HC74/SN74HC74-Q1 Zweifach-Flipflops des D-Typs

Texas Instruments SN74HC74/SN74HC74-Q1 Zweifach-Flip-Flops des D-Typs enthalten zwei unabhängige Flip-Flops des D-Typs mit positiver Flankenauslösung und jeweils asynchronen Voreinstellungen und Lösch-Pins. Diese Bauteile verfügen über einen großen Betriebsspannungsbereich von 2 V bis 6 V und einen großen Betriebstemperaturbereich von -40°C bis +85°C. Die SN74HC74-EP Bauteile verfügen über Gold-Bonddrähte, einen Temperaturbereich von –55 bis +105°C und einen SnPb-Leitungsfinish. Die SN74HC74-Q1 Bauteile von Texas Instruments sind gemäß AEC-Q100 für Fahrzeuganwendungen zugelassen.

Merkmale

  • Gepufferte Eingänge
  • Betriebstemperaturbereich
    • SN74HC74: -40 °C bis +85 °C
    • SN74HC74-EP: -55 °C bis 125 °C
    • SN74HC74-Q1: -40 C bis +125 °C
  • Breiter Betriebsspannung Bereich von 2 V bis 6 V
  • Unterstützt Fanout von bis zu 10 LSTTL-Lasten
  • Signifikante Leistungsreduzierung im Vergleich zu LSTTL Logik-ICs

Applikationen

  • Umwandeln eines Tastenschalters in einen Kippschalter
  • Taktsignal durch 2 oder 4 teilen

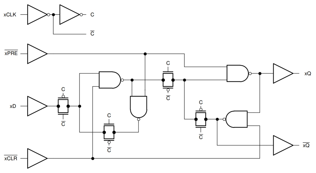
Funktionales Blockdiagramm

Blockdiagramm - Texas Instruments SN74HC74/SN74HC74-Q1 Zweifach-Flipflops des D-Typs
Veröffentlichungsdatum: 2025-05-01 | Aktualisiert: 2025-05-09