Texas Instruments SN74HCS137-Q1 3-zu-8-Leitungs-Decoder/Demultiplexer
Texas Instruments SN74HCS137-Q1 3-zu-8-Leitungs-Decoder/Demultiplexer sind 3-zu-8-Decoder mit verriegelten Adressbits, einer Active-Low-Ausgangsfreigabe und einer Standard-Ausgangsfreigabe. Die SN74HCS137-Q1 Bauteile von Texas Instruments sind gemäß AEC-Q100 für Fahrzeuganwendungen zugelassen.Merkmale
- Gemäß AEC-Q100 für Fahrzeuganwendungen zugelassen
- Bauteiltemperaturklasse 1: -40 °C bis +125 °C, TA
- HBM-ESD-Bauteilklassifikation Stufe 2
- CDM-ESD-Bauteilklassifikation Stufe C6
- Großer Betriebsspannungsbereich: 2 V bis 6 V
- Schmitt-Trigger-Eingänge ermöglichen langsame oder verrauschte Eingangssignale
- ±7,8 mA Ausgangsantrieb bei 6 V
- Erweiterter Umgebungstemperaturbereich von -40 °C bis +125 °C, TA
- Niedriger Stromverbrauch
- Typischer ICC von 100 nA
- Typischer Eingangsleckstrom von ±100 nA
Applikationen
- Speicherbauteil-Auswahl mit einem geteilten Datenbus
- Reduzieren die erforderliche Anzahl von Ausgängen für Chip-Auswahl-Applikationen
- Streckendaten
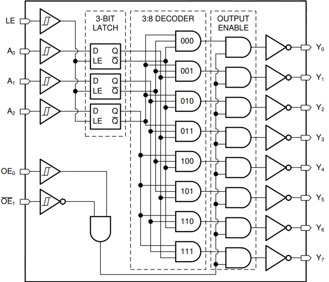
Funktionales Blockdiagramm
Veröffentlichungsdatum: 2020-08-11
| Aktualisiert: 2024-08-01
