Texas Instruments SN74HCS166/SN74HCS166-Q1 Schieberegister
Texas Instruments SN74HCS166/SN74HCS166-Q1 8-Bit-Schieberegister mit parallelgeschalteter Last enthalten ein 8-Bit-Schieberegister mit einem seriellen Eingang und acht parallelgeschalteten Eingängen. Die SN74HCS166-Q1 Bauteile von Texas Instruments sind gemäß AEC-Q100 für Fahrzeuganwendungen qualifiziert.Merkmale
- 2 V bis 6 V großer Betriebsspannungsbereich
- Schmitt-Trigger-Eingänge ermöglichen langsame oder verrauschte Eingangssignale
- ±7,8 mA Ausgangsantrieb bei 6 V
- Erweiterter Umgebungstemperaturbereich von -40 °C bis +125 °C, TA
- Niedriger Stromverbrauch
- Typischer ICC von 100 nA
- Typischer Eingangsableitstrom von ±100 nA
Applikationen
- Eingangserweiterung
- 8-Bit-Datenspeicher
Datenblätter
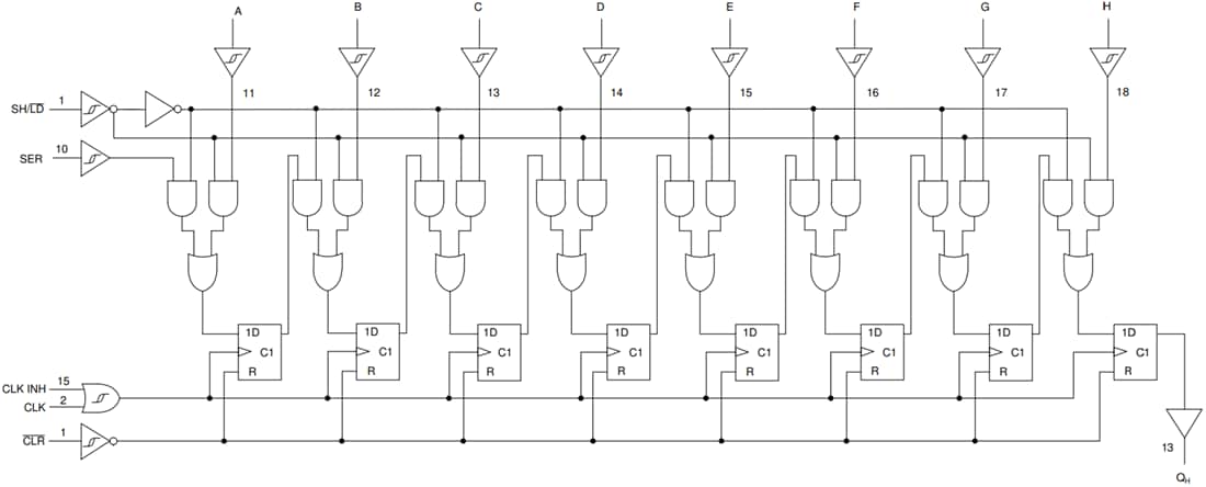
Funktionales Blockdiagramm
Veröffentlichungsdatum: 2020-08-11
| Aktualisiert: 2024-08-01
