Texas Instruments SN74HCS237/SN74HCS237-Q1 Decoder/Demultiplexer
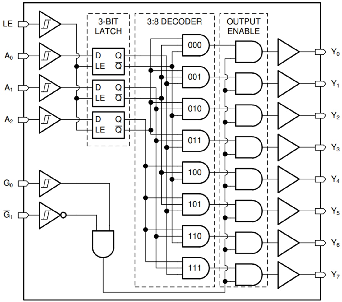
Der Texas Instruments SN74HCS237/SN74HCS237-Q1 Decoder/Demultiplexer ist ein Drei-zu-Acht-Decoder mit verriegelten Adresseingängen, einem Standard-Ausgangs-Stoposkop (G0) und einem Active-Low-Ausgangsstroposkop (G1). Wenn der Verriegelungsfreigabe(LE)-Eingang hoch ist, dient das Bauteil als Drei-zu-Acht-Standard-Decoder. Wenn der Verriegelungsfreigabe(LE)-Eingang niedrig ist, behält die Adressverriegelung ihren vorherigen Zustand bei. Wenn die Ausgänge von einem der Stroboskopeingänge gesperrt werden, werden sie alle in den niedrigen Zustand gezwungen. Wenn die Ausgänge nicht von einem oder beiden Stroboskopeingängen deaktiviert werden, ist nur der ausgewählte Ausgang hoch, während alle anderen niedrig sind. Die SN74HCS237-Q1 Bauteile von Texas Instruments sind gemäß AEC-Q100 für Fahrzeuganwendungen zugelassen.Merkmale
- Großer Betriebsspannungsbereich: 2 V bis 6 V
- Schmitt-Trigger-Eingänge ermöglichen langsame oder verrauschte Eingangssignale
- ±7,8 mA Ausgangsantrieb bei 6 V
- Erweiterter Umgebungstemperaturbereich, TA: -40 °C bis +125 °C
- Niedriger Stromverbrauch
- ICC von 100 nA (typisch)
- Typischer Eingangsleckstrom von ±100 nA
Applikationen
- Speicherbauteil-Auswahl mit einem geteilten Datenbus
- Streckendaten
- Reduzieren die erforderliche Anzahl von Ausgängen für Chip-Auswahl-Applikationen
Funktionales Blockdiagramm
Datenblätter
Veröffentlichungsdatum: 2020-10-27
| Aktualisiert: 2024-09-09
