Texas Instruments SN74HCS251/SN74HCS251-Q1 8-zu-1-Multiplexer
Texas Instruments SN74HCS251/SN74HCS251-Q1 8-zu-1-Multiplexer mit Dreistufen-Ausgängen und Schmitt-Trigger-Eingängen bieten die vollständige binäre Dekodierung zur Auswahl von 1 von 8 Datenquellen. Der SN74HCS251/SN74HCS251-Q1 Multiplexer von TI verfügt über Stroposkop-gesteuerte, komplementäre dreistufige Ausgänge.Die SN74HCS251/SN74HCS251-Q1 8-zu-1-Multiplexer zeichnen sich durch eine Gerätetemperatur von -40 °C bis +125 °C, einen niedrigen Stromverbrauch und einen breiten Betriebsspannungsbereich von 2 V bis 6 V aus. Die SN74HCS251/SN74HCS251-Q1 8-zu-1-Multiplexer von Texas Instruments sind in einem TSSOP-16-Gehäuse von 5,00 mm x 4,40 mm und einem SOIC-16-Gehäuse von 9,90 mm x 3,90 mm verfügbar. Die SN74HCS251-Q1 Geräte sind für Fahrzeuganwendungen AEC-Q100-qualifiziert.
Merkmale
- 2 V bis 6 V großer Betriebsspannungsbereich
- Schmitt-Trigger-Eingänge ermöglichen langsame oder verrauschte Eingangssignale
- ±7,8 mA Ausgangsantrieb bei 6 V
- Erweiterter Umgebungstemperaturbereich von -40 °C bis +125 °C, TA
- Niedriger Stromverbrauch
- Typischer ICC von 100 nA
- Typischer Eingangsableitstrom von ±100 nA
Applikationen
- Datenauswahl
- Multiplexing
Datenblätter
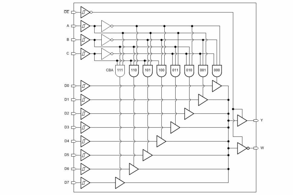
Blockdiagramm
Vorteile der Schmitt-Trigger-Eingänge – Diagramm
Veröffentlichungsdatum: 2020-09-16
| Aktualisiert: 2024-08-21
