Texas Instruments SN74HCS259/SN74HCS259-Q1 Adressierbare 8-Bit-Latches
Texas Instruments SN74HCS259/SN74HCS259-Q1 Adressierbare 8-Bit-Latches sind für Universal-Speicher-Applikationen in digitalen Systemen ausgelegt. Zu den speziellen Verwendungszwecken gehören Arbeitsregister, serielle Speicherregister und Active-High-Dekoder oder Demultiplexer. Diese multifunktionalen Bauteile können einzeilige Daten in acht adressierbaren Latches speichern. Diese Bauteile können auch ein 1-von-8-Decoder oder Demultiplexer mit Active-High-Ausgängen sein. Die SN74HCS259-Q1 Bauteile von Texas Instruments sind gemäß AEC-Q100 für Fahrzeuganwendungen zugelassen.Merkmale
- Großer Betriebsspannungsbereich: 2 V bis 6 V
- Schmitt-Trigger-Eingänge lassen langsame oder verrauschte Eingangssignale zu
- Ausgangsantrieb von 7,8 mA bei 6 V
- -40 °C bis +125 °C, TA erweiterter Umgebungstemperaturbereich
- Niedriger Stromverbrauch
- Typischer ICC von 100 nA
- Typischer Eingangsleckstrom von ±100 nA
Applikationen
- Speicherbauteil-Auswahl mit einem geteilten Datenbus
- Reduzieren die erforderliche Anzahl von Ausgängen für Chip-Auswahl-Applikationen
- Streckendaten
Datenblätter
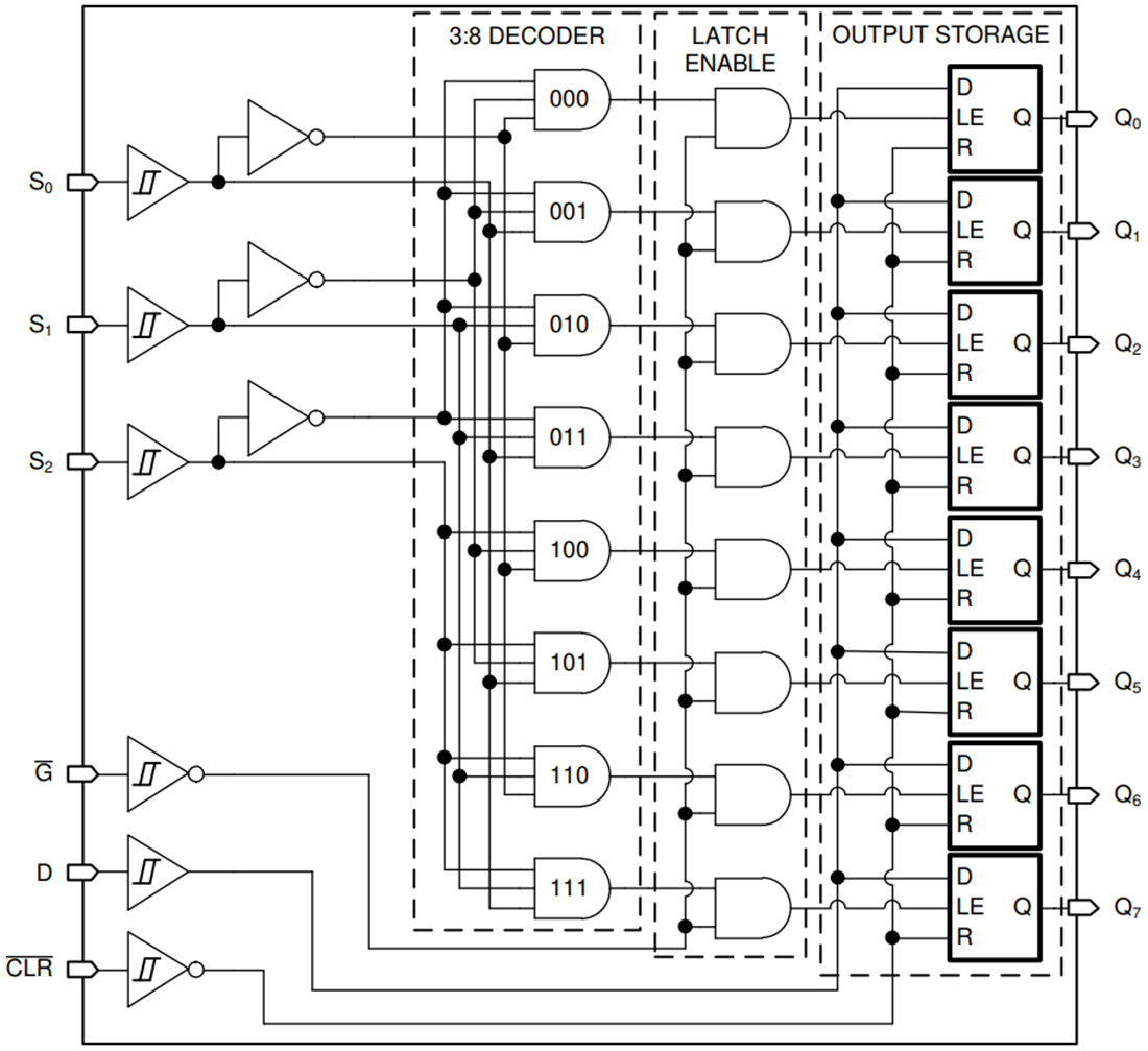
Funktionales Blockdiagramm
Veröffentlichungsdatum: 2020-08-19
| Aktualisiert: 2024-11-07
