Texas Instruments SN74HCS264/SN74HCS264-Q1 Schieberegister
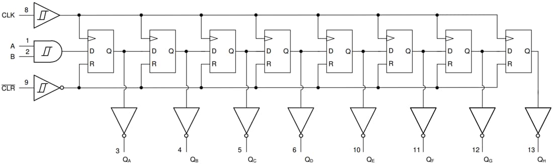
Die 8-Bit-Parallel-Out-Schieberegister von Texas Instruments SN74HCS264/SN74HCS264-Q1 enthalten ein 8-Bit-Schieberegister mit AND-verknüpften seriellen Eingängen und einem asynchronen Clear-Eingang (CLR). Die Daten an den seriellen Eingängen können geändert werden, während CLK hoch oder niedrig ist, vorausgesetzt die Anforderungen für die Mindesteinstellungszeit werden erfüllt. Alle Eingänge haben eine Schmitt-Trigger-Architektur, die den Rauschabstand erhöht und die Anforderungen an die Eingangsübergangsrate eliminiert. Die Taktung erfolgt auf dem Übergang von CLK mit niedrigem zu hohem Pegel. Bei einem Taktsignal speichert das Bauteil das Ergebnis der (A ● B) Eingangsdatenleitung im ersten Register und überträgt die Daten jedes Registers in das nächste Register. Die Ausgänge werden von den gespeicherten Daten invertiert. Die Bauteile SN74HCS264-Q1 von Texas Instruments sind gemäß AEC-Q100 für Fahrzeuganwendungen zugelassen.Merkmale
- 2 V bis 6 V großer Betriebsspannungsbereich
- Schmitt-Trigger-Eingänge ermöglichen langsame oder verrauschte Eingangssignale
- ±7,8 mA Ausgangsantrieb bei 6 V
- Erweiterter Umgebungstemperaturbereich von -40 °C bis +125 °C, TA
- Niedriger Stromverbrauch
- Typischer ICC von 100 nA
- Typischer Eingangsableitstrom von ±100 nA
Applikationen
- Ausgangserweiterung
- LED-Matrix-Steuerung
- 7-Segment-Display-Steuerung
- 8-Bit-Datenspeicher
Datenblätter
Funktionales Blockdiagramm
Veröffentlichungsdatum: 2020-08-11
| Aktualisiert: 2024-08-01
