Texas Instruments SN74LV373A D-Typ-Verriegelungen
Die D-Typ-Verriegelungen SN74LV373A von Texas Instruments sind oktal transparente Latches, die für den Betrieb im Spannungsbereich von 2VCC bis 5,5VCC ausgelegt sind. Diese 2-State-Ausgangsverriegelungen unterstützen den Mixed-Mode-Spannungsbetrieb an allen Ports. Die D-Typ-Verriegelungen SN74LV373A verfügen über eine maximaletpd von 8,5 ns bei 5 V. Diese Verriegelungen werden in Applikationen wie z. B. Drucker, Motorsteuerungen, Netzwerkschalter, Server-Motherboards und drahtlose Infrastrukturen verwendet.Merkmale
- VCC -Betrieb von 2 V bis 5,5 V
- Unterstützt einen Mischmodus-Spannungsbetrieb an allen Anschlüssen
- TypischeVOLP (Ausgangserdungsprellung):
- < 0,8 V beiVCC = 3,3 V, TA = 25 °C
- VOHV (Ausgangs-VOH -Unterschwingung):
- > 2,3 V beiVCC =3,3 V, TA = 25 °C
- Maximaletpd von 8,5 ns bei 5 V
- Ioff unterstützt einen Betrieb im teilweisen Abschaltmodus
- Latch-up-Leistung übertrifft 250 mA gemäß JESD 17
Applikationen
- Drucker
- Motorsteuerung
- Netzwerkschalter
- Server-Motherboards
- Drahtlose Infrastrukturen
Funktionales Blockdiagramm
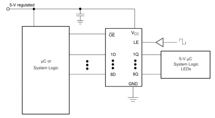
Typisches Applikations-Schaltplan-Diagramm
Veröffentlichungsdatum: 2024-12-24
| Aktualisiert: 2025-01-03
